What Is Threaded Flange?
The threaded flanges are commonly known as the screw flanges, and they contain a female NPT thread in the center that connects the male NPT placed on the threaded pipe. They are mainly used for a reducing connection. They are generally available in the nominal pipe size range of ½” to 6”, but can be customized up to the size of 24” as per the requirements. The male end of the pipe is joined with the female end placed in the flange without any weld connections. But they can easily be sealed with a welding procedure, when required. However, the welding would defy the purpose of getting threaded flange, which is easy assembling and disassembling. However, for the pressure vessel equipment, if the user is certain that they would keep it sealed permanently, then welding connections would be the perfect choice.
Threaded flanges are mostly used for pipes, where welding cannot be done due to safety risks like explosion. This means, the threaded connections are perfect for highly reactive or explosive liquids and gas. They can also be used efficiently where there is a space constraint.
Manufacturing Process Of Carbon Steel Threaded Flange
The Carbon Steel Threaded Flange is manufactured by machining from a forging. Their dimensions can be customized according to the specific requirements.
Threaded Flange Vs Welded Flange
The threaded flange is basically screwed to join with the piping connection, whereas the welded flange is welded to create a connection. The threaded flange is primarily used in places where welding cannot be done, like on the pipes that bear explosive or hazardous gas or liquid. The weld flange also needs more space than the threaded flange.
How Does A Stainless Steel Threaded Flange Work?
A Stainless Steel Threaded Flange is basically screwed to join with the piping system. The female NPT thread is placed on the flange whereas the make thread is placed on the pipes. They are basically used where welded flanges are not used, but in some cases, small welds might be applied to them so as to enhance their strength.
How To Install A Screwed Flange?
As the name suggests, screwed flanges are screwed to join with the piping system. They are popularly known as the threaded flanges. It is essential to remember that while dealing with such flanges of class or higher, power equipment should be used for obtaining proper engagement. This would help in bringing the end of the closer to the flange face.
Stainless Steel Threaded Flange
Table of Content
| Dimensions | ASME B16.5, ASME B16.47 Series A & B, MSS SP44 |
| Size | 1/2" to 48" |
| Class | 300 LBS, 150 LBS, 900 LBS, 600 LBS, 1500 LBS, 2500 LBS |
| JIS | 5K, 16 K 10 K, 20 K, 40 K, 30 K, 63 K |
|---|---|
| UNI | 6Bar 16Bar 10Bar 25Bar 40Bar |
| Coating/Surface Treatment By Manufacturer | Antirust Paint, Oil Black Paint, Yellow Transparent, Zinc Plated, Cold and Hot Dip Galvanized |
| EN | 6Bar 25Bar 10Bar 40Bar 16Bar |
| BS | BS4504 , BS4504, BS1560, BS10 |
| Flange Face Type Provided By Manufacturer | RF (Raised Face), RTJ (Ring Type Joint) |
| Value Added Services | CNC Machining, Customised Flanges |
| Making Methods Provided By Manufacturer | Casting And Forging Rolling And Cutting |
| Flanges Test | Hydrostatic testing machine/ UI trasonic flaw detector/ X-ray detector/ Direct-reading Spectrograph/ Magnetic particle detector |
| Flanges Equipment | Pushing Machine/ electric bevelling machine/ Press machine/ Bending machine/ Sand-blasting machine etc |
| Outer diameters | 1/2” to 24” |
| Standards Provided By Manufacturer | EN-1092, DIN, API7S-43, API605, B16.48, ISO70051, MSS S44, ANSI/ASME B16.5, B16.47 Series A & B, BS4504, BS 10, API7S-15, JISB2220, BS1560-3.1, ASME/ANSI B16.5/16.36/16.47A/16.47B, EN1092 |
| Stainless Steel | ASTM A182 Gr. 304, 304L, 309, 316, 310, 316L, 317L, 321, 347, 904L |
| Duplex Steel | ASTM A 182, ASME SA 182 UNS NO S31803, S32205. Werkstoff No. 1.4462 |
| Carbon Steel | High Yield CS ASTM A694 / A694 (F52 F56 F60 F65 F70 F80), A181 LF2, A105N, ASTM A350 LF2 / ASME SA350, ASTM/ASME A/SA105 A/SA105N & ASTM A105 / ASME SA105, P235GH, P245GH, P250GH, RST37.2, C22.8, S235JR, ST37, A516 Gr.70 A36, A694 F42, F46, F52, F60, F65, F706 |
| Copper Nickel | Cupro Nickel 70/30 (C71500), Copper Nickel 90/10 (C70600 ), ASTM / ASME SB 62 / 151 / 61 / 152, UNS C71640 |
| Nickel Alloy | ASTM / ASME SB 564 UNS 4400 (MONEL 400 ), UNS 2200 ( NICKEL 200 ), UNS 8825 INCONEL (825), UNS 2201 (NICKEL 201 ), UNS 8020 ( ALLOY 20 / 20 CB 3, UNS 6601 ( INCONEL 601 ), UNS 6625 (INCONEL 625), UNS 6600 (INCONEL 600 ), UNS 10276 ( HASTELLOY C 276 ) |
| Alloy Steel | F11, F12, F5, F9, F22, F91 |
| Other | Titanium, Aluminium, 254 SMO |
| CLass | 150 | 300 | 600 | 900 | 1500 | 2500 |
| DIA A | 30 | 38 | 38 | 38 | 38 | 43 |
| DIA D | 90 | 95 | 95 | 120 | 120 | 135 |
| THK B | 9.6 | 12.7 | 14.3 | 22.3 | 22.3 | 30.2 |
| 11.2 | 14.3 | 20.7 | 28.7 | 28.7 | 36.6 | |
| DIA G | 35.1 | 35.1 | 35.1 | 35.1 | 35.1 | 35.1 |
| DIA K | 60.3 | 66.7 | 66.7 | 82.6 | 82.6 | 88.9 |
| H | 14 | 21 | 22 | 32 | 32 | 40 |
| 15.6 | 22.6 | 28.4 | 38.4 | 38.4 | 46.4 | |
| NO. L | 4 | 4 | 4 | 4 | 4 | 4 |
| DIA L | 15.9 | 15.9 | 15.9 | 22.2 | 22.2 | 22.2 |
| Stud Bolts Diameter x Length | ||||||
| DIA ( in) | 1/2 | 1/2 | 1/2 | 3/4 | 3/4 | 3/4 |
| Lenght ( mm) | 55 | 65 | 75 | 110 | 110 | 120 |

| Flange | Neck | Raised face | Screws | Weight (7,85 Kg/dm3) | |||||||||
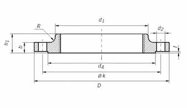
| Rated Diameter | d1 | Thread | D | b | k | h1 | d3 | d4 | f | Number | Thread | d2 | Kg |
| 15 | 21,3 | R 1/2 | 80 | 12 | 55 | 20 | 30 | 40 | 2 | 4 | M 10 | 11 | 0,373 |
| 20 | 26,9 | R 3/4 | 90 | 14 | 65 | 24 | 40 | 50 | 2 | 4 | M 10 | 11 | 0,59 |
| 25 | 33,7 | R 1 | 100 | 14 | 75 | 24 | 50 | 60 | 2 | 4 | M 10 | 11 | 0,743 |
| 32 | 42,4 | R 1 1/4 | 120 | 14 | 90 | 26 | 60 | 70 | 2 | 4 | M 12 | 14 | 1,05 |
| 40 | 48,3 | R 1 1/2 | 130 | 14 | 100 | 26 | 70 | 80 | 3 | 4 | M 12 | 14 | 1,2 |
| 50 | 60,3 | R 2 | 140 | 14 | 110 | 28 | 80 | 90 | 3 | 4 | M 12 | 14 | 1,37 |
| 65 | 76,1 | R 2 1/2 | 160 | 14 | 130 | 32 | 100 | 110 | 3 | 4 | M 12 | 14 | 1,92 |
| 80 | 88,9 | R 3 | 190 | 16 | 150 | 34 | 110 | 128 | 3 | 4 | M 16 | 18 | 2,82 |
| 100 | 114,3 | R 4 | 210 | 16 | 170 | 38 | 130 | 148 | 3 | 4 | M 16 | 18 | 3,19 |
| 125 | 139,7 | R 5 | 240 | 18 | 200 | 40 | 160 | 178 | 3 | 8 | M 16 | 18 | 4,47 |
| 150 | 165,1 | R 6 | 265 | 18 | 225 | 44 | 185 | 202 | 3 | 8 | M 16 | 18 | 5,3 |

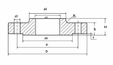
| Rated Diameter | d1 | Flange | Neck | Raised face | Screws | Weight (7,85 Kg/dm3) | |||||||
| Thread | D | b | k | h1 | d3 | d4 | f | Number | Thread | d2 | Kg | ||
| 15 | 21,3 | R 1/2 | 95 | 14 | 65 | 20 | 35 | 45 | 2 | 4 | M 12 | 14 | 0,613 |
| 20 | 26,9 | R 3/4 | 105 | 16 | 75 | 24 | 45 | 58 | 2 | 4 | M 12 | 14 | 0,91 |
| 25 | 33,7 | R 1 | 115 | 16 | 85 | 24 | 52 | 68 | 2 | 4 | M 12 | 14 | 1,1 |
| 32 | 42,4 | R 1 1/4 | 140 | 16 | 100 | 26 | 60 | 78 | 2 | 4 | M 16 | 18 | 1,6 |
| 40 | 48,3 | R 1 1/2 | 150 | 16 | 110 | 26 | 70 | 88 | 3 | 4 | M 16 | 18 | 1,78 |
| 50 | 60,3 | R 2 | 165 | 18 | 125 | 28 | 85 | 102 | 3 | 4 | M 16 | 18 | 2,43 |
| 65 | 76,1 | R 2 1/2 | 185 | 18 | 145 | 32 | 105 | 122 | 3 | 4 | M 16 | 18 | 3,18 |
| 80 | 88,9 | R 3 | 200 | 20 | 160 | 34 | 118 | 138 | 3 | 8 | M 16 | 18 | 4,12 |
| 100 | 114,3 | R 4 | 220 | 20 | 180 | 38 | 140 | 158 | 3 | 8 | M 16 | 18 | 4,47 |
| 125 | 139,7 | R 5 | 250 | 22 | 210 | 40 | 168 | 188 | 3 | 8 | M 16 | 18 | 6,13 |
| 150 | 165,1 | R 6 | 285 | 22 | 240 | 44 | 195 | 212 | 3 | 8 | M 20 | 22 | 7,92 |
| Rated Diameter | Flange | Neck | Raised face | Screws | Weight (7,85 Kg/dm3) | ||||||||
|---|---|---|---|---|---|---|---|---|---|---|---|---|---|
| d1 | Thread | D | b | k | h1 | d3 | d4 | f | Holes | Thread | d2 | Kg | |
| 15 | 21,3 | R 1/2 | 80 | 12 | 55 | 20 | 30 | 40 | 2 | 4 | M 10 | 11 | 0,373 |
| 20 | 26,9 | R 3/4 | 90 | 14 | 65 | 24 | 40 | 50 | 2 | 4 | M 10 | 11 | 0,59 |
| 25 | 33,7 | R 1 | 100 | 14 | 75 | 24 | 50 | 60 | 2 | 4 | M 10 | 11 | 0,743 |
| 32 | 42,4 | R 1 1/4 | 120 | 14 | 90 | 26 | 60 | 70 | 2 | 4 | M 12 | 14 | 1,05 |
| 40 | 48,3 | R 1 1/2 | 130 | 14 | 100 | 26 | 70 | 80 | 3 | 4 | M 12 | 14 | 1,2 |
| 50 | 60,3 | R 2 | 140 | 14 | 110 | 28 | 80 | 90 | 3 | 4 | M 12 | 14 | 1,37 |
| 65 | 76,1 | R 2 1/2 | 160 | 14 | 130 | 32 | 100 | 110 | 3 | 4 | M 12 | 14 | 1,92 |
| 80 | 88,9 | R 3 | 190 | 16 | 150 | 34 | 110 | 128 | 3 | 4 | M 16 | 18 | 2,82 |
| 100 | 114,3 | R 4 | 210 | 16 | 170 | 38 | 130 | 148 | 3 | 4 | M 16 | 18 | 3,19 |
| 125 | 139,7 | R 5 | 240 | 18 | 200 | 40 | 160 | 178 | 3 | 8 | M 16 | 18 | 4,47 |
| 150 | 165,1 | R 6 | 265 | 18 | 225 | 44 | 185 | 202 | 3 | 8 | M 16 | 18 | 5,3 |

| EN 1092-1 TYPE 13 PN6 THREADED FLANGE | |||||||||||||
| Rated Diameter | Flange | Neck | Raised face | Screws | Weight | ||||||||
| d1 | Thread | k | D | b | h1 | d3 | d4 | f | d2 | Thread | Bolt holes | KG | |
| 15 | 21,3 | R 1/2" | 55 | 80 | 12 | 20 | 30,0 | 40,0 | 2,0 | 11 | M10 | 4 | 0,373 |
| 20 | 26,9 | R 3/4" | 65 | 90 | 14 | 24 | 40,0 | 50,0 | 2,0 | 11 | M10 | 4 | 0,584 |
| 25 | 33,7 | R 1" | 75 | 100 | 14 | 24 | 50,0 | 60,0 | 2,0 | 11 | M10 | 4 | 0,729 |
| 32 | 42,4 | R 1-1/4" | 90 | 120 | 14 | 26 | 60,0 | 70,0 | 2,0 | 14 | M12 | 4 | 1,040 |
| 40 | 48,3 | R 1-1/2" | 100 | 130 | 14 | 26 | 70,0 | 80,0 | 3,0 | 14 | M12 | 4 | 1,200 |
| 50 | 60,3 | R 2" | 110 | 140 | 14 | 28 | 80,0 | 90,0 | 3,0 | 14 | M12 | 4 | 1,340 |
| 65 | 76,1 | R 2-1/2" | 130 | 160 | 14 | 32 | 100,0 | 110,0 | 3,0 | 14 | M12 | 4 | 1,830 |
| 80 | 88,9 | R 3" | 150 | 190 | 16 | 34 | 110,0 | 128,0 | 3,0 | 18 | M16 | 4 | 2,750 |
| 100 | 114,3 | R 4" | 170 | 210 | 16 | 40 | 130,0 | 148,0 | 3,0 | 18 | M16 | 4 | 3,010 |
| 125 | 139,7 | R 5" | 200 | 240 | 18 | 44 | 160,0 | 178,0 | 3,0 | 18 | M16 | 8 | 4,300 |
| 150 | 168,3 | R 6" | 225 | 265 | 18 | 44 | 185,0 | 202,0 | 3,0 | 18 | M16 | 8 | 4,630 |
| Stainless Steel Lap Joint Flange Price Per Piece in India | Lap Joint Flange Price in INR | Loose Flange Price in UAE Dirham | Vanstone Flange Price in USD |
| 18-8 STAINLESS STEEL FLANGE HEX NUT TO DIN 6923, RIGHT THREAD Per Kg | 332 | UAE Dirham 16.39 | $4.46 |
| STAINLESS STEEL CF-FLANGE KIT DN100 HEX-HEAD Per Piece | 5,622 | UAE Dirham 277.60 | $75.58 |

| FLANGE NPS | Inside Diameter | Outside Diameter | Bolt Circle (BC) | Raised Face (R) | Raised Face (RF) | H | Raised Face Thickness (T) | T1 | Flat Face Thickness (T2) | Bolt Hole (B) | No. of Bolt Holes |
|---|---|---|---|---|---|---|---|---|---|---|---|
| 1/2" | 0.93" | 3.50" | 2.38" | 1.38" | .063" | 1.19" | .62" | .38" | .56" | .62" | 4 |
| 3/4" | 1.14" | 3.88" | 2.75" | 1.69" | .063" | 1.50" | .62" | .44" | .56" | .62" | 4 |
| 1" | 1.41" | 4.25" | 3.12" | 2.00" | .063" | 1.94" | .69" | .50" | .63" | .62" | 4 |
| 1-1/4" | 1.75" | 4.62" | 3.50" | 2.50" | .063" | 2.31" | .81" | .56" | .75" | .62" | 4 |
| 1-1/2" | 1.99" | 5.00" | 3.88" | 2.88" | .063" | 2.56" | .88" | .62" | .82" | .62" | 4 |
| 2" | 2.50" | 6.00" | 4.75" | 3.62" | .063" | 3.06" | 1.00" | .69" | .94" | .75" | 4 |
| 2-1/2" | 3.00" | 7.00" | 5.50" | 4.12" | .063" | 3.56" | 1.12" | .82" | 1.06" | .75" | 4 |
| 3" | 3.63" | 7.50" | 6.00" | 5.00" | .063" | 4.25" | 1.19" | .88" | 1.13" | .75" | 4 |
| 3-1/2" | 4.13" | 8.50" | 7.00" | 5.50" | .063" | 4.81" | 1.25" | .88" | 1.19" | .75" | 8 |
| 4" | 4.63" | 9.00" | 7.50" | 6.19" | .063" | 5.31" | 1.31" | .88" | 1.25" | .75" | 8 |
| 5" | 5.69" | 10.00" | 8.50" | 7.31" | .063" | 6.44" | 1.44" | .88" | 1.38" | .88" | 8 |
| 6" | 6.75" | 11.00" | 9.50" | 8.50" | .063" | 7.56" | 1.56" | .94" | 1.50" | .88" | 8 |
| 8" | 8.75" | 13.50" | 11.75" | 10.62" | .063" | 9.69" | 1.75" | 1.06" | 1.69" | .88" | 8 |
| 10" | 10.88" | 16.00" | 14.25" | 12.75" | .063" | 12.00" | 1.94" | 1.13" | 1.88" | 1.00" | 12 |
| 12" | 12.94" | 19.00" | 17.00" | 15.00" | .063" | 14.38" | 2.19" | 1.19" | 2.13" | 1.00" | 12 |
| 14" | 14.19" | 21.00" | 18.75" | 16.25" | .063" | 15.75" | 2.25" | 1.32" | 2.19" | 1.12" | 12 |
| 16" | 16.19" | 23.50" | 21.25" | 18.50" | .063" | 18.00" | 2.50" | 1.38" | 2.44" | 1.12" | 16 |
| 18" | 18.19" | 25.00" | 22.75" | 21.00" | .063" | 19.88" | 2.69" | 1.50" | 2.63" | 1.25" | 16 |
| 20" | 20.19" | 27.50" | 25.00" | 23.00" | .063" | 22.00" | 2.88" | 1.63" | 2.83" | 1.25" | 20 |
| 22" | 22.19" | 29.50" | 27.25" | 25.25" | .063" | 24.25" | 3.13" | 1.75" | 3.07" | 1.38" | 20 |
| 24" | 24.19" | 32.00" | 29.50" | 27.25" | .063" | 26.12" | 3.25" | 1.82" | 3.19" | 1.38" | 20 |
| FLANGE NPS | Inside Diameter | Outside Diameter | Bolt Circle (BC) | Raised Face (R) | Raised Face (RF) | H | Raised Face Thickness (T) | T1 | Flat Face Thickness (T2) | Bolt Hole (B) | No. of Bolt Holes |
|---|---|---|---|---|---|---|---|---|---|---|---|
| 1/2" | 0.93" | 3.75" | 2.62" | 1.38" | .063" | 1.50" | 0.88" | 0.50" | 0.82" | 0.62" | 4 |
| 3/4" | 1.14" | 4.62" | 3.25" | 1.69" | .063" | 1.88" | 1.00" | .056" | 0.94" | 0.75" | 4 |
| 1" | 1.41" | 4.88" | 3.50" | 2.00" | .063" | 2.12" | 1.06" | 0.63" | 1.00" | 0.75" | 4 |
| 1-1/4" | 1.75" | 5.25" | 3.88" | 2.50" | .063" | 2.50" | 1.06" | 0.69" | 1.00" | 0.75" | 4 |
| 1-1/2" | 1.99" | 6.12" | 4.50" | 2.88" | .063" | 2.75" | 1.19" | 0.75" | 1.13" | 0.88" | 4 |
| 2" | 2.50" | 6.50" | 5.00" | 3.62" | .063" | 3.31" | 1.31" | 0.82" | 1.25" | 0.75" | 8 |
| 2-1/2" | 3.00" | 7.50" | 5.88" | 4.12" | .063" | 3.94" | 1.50" | 0.94" | 1.44" | 0.88" | 8 |
| 3" | 3.63" | 8.25" | 6.62" | 5.00" | .063" | 4.62" | 1.69" | 1.06" | 1.63" | 0.88" | 8 |
| 3-1/2" | 4.13" | 9.00" | 7.25" | 5.50" | .063" | 5.25" | 1.75" | 1.13" | 1.69" | 0.88" | 8 |
| 4" | 4.63" | 10.00" | 7.88" | 6.19" | .063" | 5.75" | 1.88" | 1.19" | 1.82" | 0.88" | 8 |
| 5" | 5.69" | 11.00" | 9.25" | 7.31" | .063" | 7.00" | 2.00" | 1.32" | 1.94" | 0.88" | 8 |
| 6" | 6.75" | 12.50" | 10.62" | 8.50" | .063" | 8.12" | 2.06" | 1.38" | 2.00" | 0.88" | 12 |
| 8" | 8.75" | 15.00" | 13.00" | 10.62" | .063" | 10.25" | 2.44" | 1.56" | 2.38" | 1.00" | 12 |
| 10" | 10.88" | 17.50" | 15.25" | 12.75" | .063" | 12.62" | 2.62" | 1.82" | 2.56" | 1.12" | 16 |
| 12" | 12.94" | 20.50" | 17.75" | 15.00" | .063" | 14.75" | 2.88" | 1.94" | 2.82" | 1.25" | 16 |
| 14" | 14.19" | 23.00" | 20.25" | 16.25" | .063" | 16.75" | 3.00" | 2.06" | 2.94" | 1.25" | 20 |
| 16" | 16.19" | 25.50" | 22.50" | 18.50" | .063" | 19.00" | 3.25" | 2.19" | 3.19" | 1.38" | 20 |
| 18" | 18.19" | 28.00" | 24.75" | 21.00" | .063" | 21.00" | 3.50" | 2.32" | 3.44" | 1.38" | 24 |
| 20" | 20.19" | 30.50" | 27.00" | 23.00" | .063" | 23.12" | 3.75" | 2.44" | 3.69" | 1.38" | 24 |
| 22" | 22.19" | 33.00" | 29.25" | 25.25" | .063" | 25.25" | 4.00" | 2.57" | 3.94" | 1.63" | 24 |
| 24" | 24.19" | 36.00" | 32.00" | 27.25" | .063" | 27.62" | 4.19" | 2.69" | 4.13" | 1.62" | 24 |
| FLANGE NPS |
Inside Diameter |
Outside Diameter |
Bolt Circle (BC) | Raised Face (R) | Raised Face (RF) | H | Raised Face Thickness (T) | T1 | Flat Face Thickness (T2) | Bolt Hole (B) | No. of Bolt Holes |
|---|---|---|---|---|---|---|---|---|---|---|---|
| 1/2" | 0.93" | 3.75" | 2.62" | 1.38" | .250" | 1.50" | 1.13" | 0.56" | 0.88" | 0.62" | 4 |
| 3/4" | 1.14" | 4.62" | 3.25" | 1.69" | .250" | 1.88" | 1.25" | 0.62" | 1.00" | 0.75" | 4 |
| 1" | 1.41" | 4.88" | 3.50" | 2.00" | .250" | 2.12" | 1.31" | 0.69" | 1.06" | 0.75" | 4 |
| 1-1/4" | 1.75" | 5.25" | 3.88" | 2.50" | .250" | 2.50" | 1.37" | 0.81" | 1.12" | 0.75" | 4 |
| 1-1/2" | 1.99" | 6.12" | 4.50" | 2.88" | .250" | 2.75" | 1.50" | 0.88" | 1.25" | 0.88" | 4 |
| 2" | 2.50" | 6.50" | 5.00" | 3.62" | .250" | 3.31" | 1.69" | 1.00" | 1.44" | 0.75" | 8 |
| 2-1/2" | 3.00" | 7.50" | 5.88" | 4.12" | .250" | 3.94" | 1.87" | 1.12" | 1.62" | 0.88" | 8 |
| FLANGE NPS |
Inside Diameter |
Outside Diameter |
Bolt Circle (BC) | Raised Face (R) | Raised Face (RF) | H | Raised Face Thickness (T) | T1 | Flat Face Thickness (T2) | Bolt Hole (B) | No. of Bolt Holes |
|---|---|---|---|---|---|---|---|---|---|---|---|
| 1/2" | 0.93" | 4.75" | 3.25" | 1.38" | .250" | 1.50" | 1.50" | 0.88" | 1.25" | 0.88" | 4 |
| 3/4" | 1.14" | 5.13" | 3.50" | 1.69" | .250" | 1.75" | 1.63" | 1.00" | 1.38" | 0.88" | 4 |
| 1" | 1.41" | 5.88" | 4.00" | 2.00" | .250" | 2.06" | 1.88" | 1.13" | 1.63" | 1.00" | 4 |
| 1-1/4" | 1.75" | 6.25" | 4.38" | 2.50" | .250" | 2.50" | 1.88" | 1.13" | 1.63" | 1.00" | 4 |
| 1-1/2" | 1.99" | 7.00" | 4.88" | 2.88" | .250" | 2.75" | 2.00" | 1.25" | 1.75" | 1.13" | 4 |
| 2" | 2.50" | 8.50" | 6.50" | 3.63" | .250" | 4.13" | 2.50" | 1.50" | 2.25" | 1.00" | 8 |
| 2-1/2" | 3.00" | 9.63" | 7.50" | 4.13" | .250" | 4.88" | 2.75" | 1.63" | 2.50" | 1.13" | 8 |
| 3" | 3.63" | 9.50" | 7.50" | 5.00" | .250" | 5.00" | 2.38" | 1.50" | 2.13" | 1.00" | 8 |
| 4" | 4.63" | 11.50" | 9.25" | 6.19" | .250" | 6.25" | 3.00" | 1.75" | 2.75" | 1.25" | 8 |
| 5" | 5.69" | 13.75" | 11.00" | 7.31" | .250" | 7.50" | 3.38" | 3.00" | 3.13" | 1.38" | 8 |
| 6" | 6.75" | 15.00" | 12.50" | 8.50" | .250" | 9.25" | 3.63" | 2.19" | 3.38" | 1.25" | 12 |
| 8" | 8.75" | 18.50" | 15.50" | 10.63" | .250" | 11.75" | 4.25" | 2.50" | 4.00" | 1.50" | 12 |
| 10" | 10.88" | 21.50" | 18.50" | 12.75" | .250" | 14.50" | 4.50" | 2.75" | 4.25" | 1.50" | 16 |
| 12" | 12.94" | 24.00" | 21.00" | 15.00" | .250" | 16.50" | 4.88" | 3.13" | 4.63" | 1.50" | 20 |
| 14" | 14.19" | 25.25" | 22.00" | 16.25" | .250" | 17.75" | 5.38" | 3.38" | 5.13" | 1.63" | 20 |
| 16" | 16.19" | 27.75" | 24.25" | 18.50" | .250" | 20.00" | 5.50" | 3.50" | 5.25" | 1.75" | 20 |
| 18" | 18.19" | 31.00" | 27.00" | 21.00" | .250" | 22.25" | 6.25" | 4.00" | 6.00" | 2.00" | 20 |
| 20" | 20.19" | 33.75" | 29.50" | 23.00" | .250" | 24.50" | 6.50" | 4.25" | 6.25" | 2.13" | 20 |
| 24" | 24.19" | 41.00" | 35.50" | 27.25" | .250" | 29.50" | 8.25" | 5.50" | 8.00" | 2.63" | 20 |
Stainless Steel Threaded Flange
Carbon Steel Threaded Flange
Duplex Screwed Flange
Super Duplex Flat Face Threaded Flange
Titanium Female Threaded Flange
Mild Steel Male Threaded Flange
Nickel Alloy Threaded Flanges
Inconel Bsp Threaded Flange
Hastelloy Male Threaded Flange
Gi RF Threaded Flange
Alloy Steel Class 150 Threaded Flange
ASTM A105 Class 300 Threaded Flange
ASTM A516 Gr.70 Class 900 Threaded Flange
ASTM A182 F316 Dn50 Threaded Flange
ASTM A182 F304 Npt Threaded Flange
ASTM A350 LF2 Pn16 Threaded Flange
UNS S31803 Female Threaded Flange
A182 F11 Male Threaded Flange
Stainless Steel 304 Threaded Flanges
316 Stainless Steel Bsp Threaded Flange
Aluminum Threaded Flange
Brass Threaded Flange
Cast Iron Threaded Flange
Black Pipe Threaded Flange
Copper Threaded Flange
Ductile Iron Threaded Flange
Din 2566 Threaded Flange
If the threaded pipe flange can be precisely measured, the following information is required:
The threaded flange is screwed to the threaded pipe by the thread that is processed in the flange's inner hole. As a result, it does not need to be welded. As a result, it is much easier to install and maintain when compared to other flange types such as slip on flanges, socket weld flanges, and so on.

Raised Face Threaded Flange
The raised face flange is easily identified when the gasket surface area is above the flange's bolted line. It works with a wide range of gaskets, from flat to semi-metallic and metallic, ring or full.

RTJ Threaded Flange
When metal to metal seals are required, the ring joint flange has a circular groove to accommodate the ring joint gasket. Especially in high-pressure and high-temperature conditions.
Flanges Types
Pipe Fittings Material
Flanges Material
Other Products