What is Copper Nickel Flanges?
The copper nickel flanges are made of cupro-nickel material that shows high resistance to saltwater corrosion. They are also resistant to biofouling, pitting, crevice corrosion and stress corrosion cracking in the chloride environments. The material is able to retain its properties even at an elevated temperature. The copper nickel flanges have high ductility and they show good thermal conductivity, even in cryogenic temperatures. With the addition of nickel content to the alloys, the flow rates and strength of the flanges can be increased. Due to all these useful properties, the copper nickel flanges are widely used in different types of applications like marine, shipbuilding and repair, offshore oil drilling, power generation, etc. They are also used in different condensers and heat exchangers. Thus, the copper nickel flanges show great performance in both marine and non-marine environments.
There are different types of flanges available in the market, and each have their unique usage:
Choosing the right type of flange is essential for proper execution of operations, as not all flanges are capable of withstanding all types of environments.
How can you Join Cupro Nickel Flange to Cuni Pipe?
A flange can be described as the way of joining pipes, valves, and other similar equipment, through welding or screwing. The copper nickel flanges are resistant to corrosion, and are also known for their high ductility. They also possess good fabricability and are biofouling resistant. Depending on the type of flange that is needed to be attached to the pipe, it is decided whether welding or screwing is needed to attach the flange with the pipe. For example, the slip-on flanges must be slid into the pipe before it is welded. This flange would also need double welding. On the other hand, the threaded flange does not need welding; it is joined by screwing the flanges to the pipe. It does not need any seam welding.
Copper Nickel 70/30 Flanges vs 90/10 Copper Nickel Flanges
The basic difference between the Copper Nickel 70/30 Flanges and the 90/10 Copper Nickel Flanges, is in its chemical composition. The 70/30 flanges consist of 70% copper and 30% nickel, with trace amounts of other elements. Similarly, the 90/10 flanges have 90% copper with 10% nickel, along with trace amounts of other elements. Due to this difference in the chemical composition, they have some difference in their physical properties too. The 70/30 CuNi flanges are resistant to seawater due to the manganese and iron elements present in it. The 90/10 CuNi flanges offer high strength corrosion resistance, with enhanced ductility and toughness. They are widely used in industrial and architectural applications.
The strength of 70/30 CuNi flanges are slightly more compared to the 90/10 CuNi flanges, and that is why the former is used for more demanding applications. The 90/10 CuNi can be described as a cost-effective substitute of 70/30 CuNi flanges. Both of them are superior in resisting corrosion, but 90/10 CuNi flanges offer a slightly better performance compared to the 70/30 CuNi flanges.
What should you Consider when Buying Copper Nickel Slip On Flanges?
The CuNi slip-on flanges are suitable for low pressure applications. They come with easy installation and can be welded into different pipes. It is essential to check the quality of the raw material and also the flanges should go through all the required tests before they are delivered for real-life applications. Primarily, these flanges are used in saltwater environments, heat exchangers, desalination plants, etc.
Are there Special Surface Finish for Copper Nickel Pipe Flanges?
There are several types of surface finishes available for CuNi flanges, like:
Copper Nickel Flanges
Table of Content
| Size Chart | 1/2″(15 NB) to 48″ (1200NB) |
|---|---|
| Pressure Rating Chart ANSI | 150 LBS, 300 LBS, 2500 LBS, 900 LBS, 600 LBS, 1500 LBS |
| UNI / EN | 16Bar 6Bar 40Bar 10Bar 25Bar |
| DIN Pressure Calculation | 25Bar 40Bar 16Bar 6Bar 10Bar / PN64 PN10 PN25 PN16 PN6 PN40 |
| JIS | 16 K, 5K, 10 K, 20 K, 30 K, 40 K, 63 K |
| Manufacturer of Connect Type/ Flanges Face Type | RF, RTJ, FF, LJF, Small Tongue, Large Tongue & Groove |
| Coating | Yellow Transparent, Zinc Plated, Anti-rust Paint, Oil Black Paint, Cold and Hot Dip Galvanized |
| Common Types By Manufacturer | Threaded / Screwed / Forged / Plate |
| Origin | West Europe / Japan / Indian / USA / Korean |
| Manufacturer of | ANSI DIN, GOST, JIS, UNI, BS, AS2129, SABS, NFE, AWWA, EN etc. |
| Standards Provided By Manufacturer | API7S-43, API605, B16.48, ISO70051, MSS S44, ANSI/ASME B16.5, B16.47 Series A & B, BS4504, BS 10, EN-1092, DIN, API7S-15, JISB2220, BS1560-3.1, ASME/ANSI B16.5/16.36/16.47A/16.47B, EN1092 |
| Test | Direct-reading Spectrograph, Ultrasonic flaw detector, Magnetic particle detector, X-ray detector, Hydrostatic testing machine |
| Equipment | Press machine, Bending machine, Pushing Machine, Sand-blasting machine, electric bevelling machine etc |
| Production technique Used By Manufacturer | Heat treated, Forged and machined |
Well know Copper Nickel Weld Neck Flange distributor, importer, stockists, wholesalers, stockholders, dealers, supplier, exporters and Manufacturer in Mumbai.
| Size (in) | Number of Bolt Holes | Flange Diameter (in) | Bolt Circle Diameter (in) | Flange Thickness (in) | Bolt Hole Diameter (in) | Approx Weight (lbs) | Bore |
|---|---|---|---|---|---|---|---|
| 1/2 | 4 | 3.5 | 2.38 | 0.44 | 0.63 | 1.2 | Sch 40 (Std) |
| 3/4 | 4 | 3.88 | 2.75 | 0.5 | 0.63 | 1.7 | Sch 40 (Std) |
| 1 | 4 | 4.25 | 3.13 | 0.56 | 0.63 | 2.2 | Sch 40 (Std) |
| 1-1/4 | 4 | 4.63 | 3.5 | 0.63 | 0.63 | 2.9 | Sch 40 (Std) |
| 1-1/2 | 4 | 5 | 3.88 | 0.69 | 0.63 | 3.7 | Sch 40 (Std) |
| 2 | 4 | 6 | 4.75 | 0.75 | 0.75 | 5.7 | Sch 40 (Std) |
| 2-1/2 | 4 | 7 | 5.5 | 0.88 | 0.75 | 9 | Sch 40 (Std) |
| 3 | 4 | 7.5 | 6 | 0.94 | 0.75 | 10.5 | Sch 40 (Std) |
| 3-1/2 | 8 | 8.5 | 7 | 0.94 | 0.75 | 13 | Sch 40 (Std) |
| 4 | 8 | 9 | 7.5 | 0.94 | 0.75 | 14.2 | Sch 40 (Std) |
| 5 | 8 | 10 | 8.5 | 0.94 | 0.88 | 16 | Sch 40 (Std) |
| 6 | 8 | 11 | 9.5 | 1 | 0.88 | 19.4 | Sch 40 (Std) |
| 8 | 8 | 13.5 | 11.75 | 1.13 | 0.88 | 31.3 | Sch 40 (Std) |
| 10 | 12 | 16 | 14.25 | 1.19 | 1 | 42.3 | Sch 40 (Std) |
| 12 | 12 | 19 | 17 | 12.88 | 1 | 69.6 | Sch 40 (Std) |
| Temperature °F | Class 150 | Class 600 | Class 1500 | Class 400 | Class 900 | Class 300 | Class 2500 |
| -20 to 100 | 275 | 1440 | 3600 | 960 | 2160 | 720 | 6000 |
| 300 | 205 | 1080 | 2700 | 720 | 1620 | 540 | 4500 |
| 200 | 230 | 1200 | 3000 | 800 | 1800 | 600 | 5000 |
| 400 | 190 | 995 | 2485 | 660 | 1490 | 495 | 4140 |
| 600 | 140 | 875 | 2185 | 580 | 1310 | 435 | 3640 |
| 650 | 125 | 860 | 2150 | 575 | 1290 | 430 | 3580 |
| 500 | 170 | 930 | 2330 | 620 | 1395 | 465 | 3880 |
| 700 | 110 | 850 | 2125 | 565 | 1275 | 425 | 3540 |
| 750 | 95 | 830 | 2075 | 555 | 1245 | 415 | 3460 |
| 850 | 65 | 790 | 1980 | 530 | 1190 | 395 | 3300 |
| 800 | 80 | 805 | 2015 | 540 | 1210 | 405 | 3360 |
| 900 | 50 | 780 | 1945 | 520 | 1165 | 390 | 3240 |
| 950 | 35 | 765 | 1910 | 510 | 1145 | 380 | 3180 |
| 1000 | 20 | 640 | 1605 | 430 | 965 | 320 | 2675 |
| 1100 | 20 | 515 | 1285 | 345 | 770 | 255 | 2145 |
| 1150 | 20 | 400 | 995 | 265 | 595 | 200 | 1655 |
| 1050 | 20 | 615 | 1545 | 410 | 925 | 310 | 2570 |
| 1200 | 20 | 310 | 770 | 205 | 465 | 155 | 1285 |
| 1250 | 20 | 225 | 565 | 150 | 340 | 115 | 945 |
| 1300 | 20 | 170 | 430 | 115 | 255 | 85 | 715 |
| 1400 | 20 | 95 | 240 | 65 | 145 | 50 | 400 |
| 1350 | 20 | 125 | 310 | 80 | 185 | 60 | 515 |
| 1450 | 15 | 70 | 170 | 45 | 105 | 35 | 285 |
| 1500 | 10 | 55 | 135 | 35 | 80 | 25 | 230 |
| Size in Inch | RF Dia. | Size in mm | Machine Bolt Length | Flange Thickness | ISO Stud Size | PCD | No of Bolts | Bolt Size UNC | Outer Dia. | RF Height | RF Stud Length | Hole Size | Weight in kg |
| C | B | E | A | D | |||||||||
| 1/2 | 34.9 | 15 | 50 | 9.6 | M14 | 60.3 | 4 | 1/2 | 90 | 2 | 55 | 5/8 | 0.9 |
| 1 | 50.8 | 25 | 55 | 12.7 | M14 | 79.4 | 4 | 1/2 | 110 | 2 | 65 | 5/8 | 0.9 |
| 1 1/4 | 63.5 | 32 | 55 | 14.3 | M14 | 88.9 | 4 | 1/2 | 115 | 2 | 70 | 5/8 | 1.4 |
| 3/4 | 42.9 | 20 | 50 | 11.2 | M14 | 69.9 | 4 | 1/2 | 100 | 2 | 65 | 5/8 | 0.9 |
| 1 1/2 | 73 | 40 | 65 | 15.9 | M14 | 98.4 | 4 | 1/2 | 125 | 2 | 70 | 5/8 | 1.8 |
| 2 | 92.1 | 50 | 70 | 17.5 | M16 | 120.7 | 4 | 5/8 | 150 | 2 | 85 | 3/4 | 2.3 |
| 3 | 127 | 80 | 75 | 22.3 | M16 | 152.4 | 4 | 5/8 | 190 | 2 | 90 | 3/4 | 4.1 |
| 3 1/2 | 139.7 | 90 | 75 | 22.3 | M16 | 177.8 | 8 | 5/8 | 215 | 2 | 90 | 3/4 | 5.9 |
| 4 | 157.2 | 100 | 75 | 22.3 | M16 | 190.5 | 8 | 5/8 | 230 | 2 | 90 | 3/4 | 7.7 |
| 5 | 185.7 | 125 | 85 | 22.3 | M20 | 215.9 | 8 | 3/4 | 255 | 2 | 95 | 7/8 | 9.1 |
| 2 1/2 | 104.8 | 65 | 75 | 20.7 | M16 | 139.7 | 4 | 5/8 | 180 | 2 | 90 | 3/4 | 3.2 |
| 6 | 215.9 | 150 | 85 | 23.9 | M20 | 241.3 | 8 | 3/4 | 280 | 2 | 100 | 7/8 | 11.8 |
| 8 | 269.9 | 200 | 90 | 27 | M20 | 298.5 | 8 | 3/4 | 345 | 2 | 110 | 7/8 | 20.5 |
| 10 | 323.8 | 250 | 100 | 28.6 | M24 | 362 | 12 | 7/8 | 405 | 2 | 115 | 1 | 32 |
| 12 | 381 | 300 | 100 | 30.2 | M24 | 431.8 | 12 | 7/8 | 485 | 2 | 120 | 1 | 50 |
| 14 | 412.8 | 350 | 115 | 33.4 | M27 | 476.3 | 12 | 1 | 535 | 2 | 135 | 1 1/8 | 64 |
| 16 | 469.9 | 400 | 115 | 35 | M27 | 539.8 | 16 | 1 | 595 | 2 | 135 | 1 1/8 | 82 |
| 18 | 533.4 | 450 | 125 | 38.1 | M30 | 577.9 | 16 | 1 1/8 | 635 | 2 | 145 | 1 1/4 | 100 |
| 20 | 584.2 | 500 | 140 | 41.3 | M30 | 635 | 20 | 1 1/8 | 700 | 2 | 160 | 1 1/4 | 130 |
| 24 | 692.2 | 600 | 150 | 46.1 | M33 | 749.3 | 20 | 1 1/4 | 815 | 2 | 170 | 1 3/8 | 196 |
| COPPER NICKEL FLANGES | MATERIAL | DIN | EEMUA | ANSI |
| COMPOSITE WELD NECK INNER FLANGES | CuNi | DIN 86037 | 145 | |
| SOLID SOCKET WELDING | CuNi | B 16-5 | ||
| COMPOSITE WELD NECK BACKING FLANGES | Carbon steel | DIN 86037 | 145 | |
| SOLID WELD NECK | CuNi | DIN 2632/2633 | 145 | B 16-5 |
| SOLID SLIP ON | CuNi | DIN 86033 | 145 | B 16-5 |
| COMPOSITE SLIP ON BACKING FLANGES | Carbon steel | DIN 86036 | 145 | |
| SOLID BLIND | CuNi | B 16-5 | ||
| COMPOSITE SLIP ON INNER FLANGES | CuNi | DIN 86036 | 145 | |
| THREADED WELDING | CuNi | B 16-5 |
EEMUA 145 Standard copper-nickel flanges are commonly used on maritime and offshore structures.
Material: it can be named as UNS 7060X
| Copper Nickel Pipe Flanges Price Per Piece in India | Price Applicable for jan 2022 to june 2022 | Price Applicable for July 2022 to December 2022 |
| DN100 X DIN86037 CUNI COMPOSITE W.N. FLANGE Per Kg | US $22.69 | US $24.69 |
| COPPER-NICKEL 90/10 SOLID W/N FLANGE FF ASME B16.5 UNS C70600 4 X WT 3.0mm Per Piece | US $215.46 | US $217.46 |
| COPPER-NICKEL 90/10 BLIND FLANGE RF ASME B16.5 Per Kg | US $11.57 | US $14.57 |
| COPPER NICKEL FLANGES WN INNER 108,0X2,5 Per Kg | US $22.79 | US $23.79 |
| 90/10 COPPER NICKEL WELD NECK INNER FLANGES 1 1/2 Per Kg | US $40.36 | US $42.36 |
Are you looking for Copper Nickel Flange manufacturer in India, Contact us to get latest price list of Cu Ni Flanges. We are leading Copper Nickel Flange supplier and exporter in various countries.

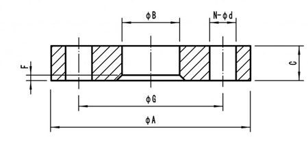
| Outside diameter of pipe | DIN86037 | ||||||||
| PN10 | |||||||||
| ØD | Drilling | Theo. | |||||||
| ØA | C | ØB | F | ØG | N | Ød | weight | ||
| nominal | actual | mm | mm | mm | mm | mm | mm | mm | Kg/piece |
| inch | mm | ||||||||
| 0.5 | 16 | – | – | – | – | – | – | – | – |
| 0.75 | 25 | 105 | 14 | 28 | 3 | 75 | 4 | 14 | 0.8 |
| 1 | 30 | 115 | 16 | 33 | 4 | 85 | 4 | 14 | 1.1 |
| 1.25 | 38 | 140 | 16 | 42 | 4 | 100 | 4 | 18 | 1.65 |
| 1.5 | 44.5 | 150 | 16 | 50 | 4 | 110 | 4 | 18 | 1.85 |
| 2 | 57 | 165 | 16 | 62 | 5 | 125 | 4 | 18 | 2.2 |
| 2.5 | 76.1 | 185 | 16 | 81 | 5 | 145 | 4 | 18 | 2.65 |
| 3 | 88.9 | 200 | 18 | 94 | 5 | 160 | 8 | 18 | 3.3 |
| 4 | 108 | 220 | 18 | 113 | 5 | 180 | 8 | 18 | 3.65 |
| 5 | 133 | 250 | 18 | 138 | 5 | 210 | 8 | 18 | 4.55 |
| 6 | 159 | 285 | 18 | 164 | 5 | 240 | 8 | 22 | 5.6 |
| 7 | 193.7 | 315 | 22 | 200 | 5 | 270 | 8 | 22 | 7.5 |
| 8 | 219.1 | 340 | 20 | 225 | 5 | 295 | 8 | 22 | 7.45 |
| 10 | 267 | 395 | 22 | 273 | 5 | 350 | 12 | 22 | 10.3 |
| 12 | 323.9 | 445 | 24 | 331 | 7 | 400 | 12 | 22 | 12 |
| 14 | 368 | 505 | 24 | 375 | 7 | 460 | 16 | 22 | 16 |
| 16 | 419.1 | 565 | 26 | 426 | 7 | 515 | 16 | 26 | 20 |
| 18 | 457.2 | 615 | 28 | 465 | 7 | 565 | 20 | 26 | 25 |
| 20 | 508 | 670 | 30 | 517 | 7 | 620 | 20 | 26 | 31 |
| 24 | 610 | 780 | 32 | 618 | 9 | 725 | 20 | 30 | 40 |

| Size in Inch | Size in mm | No of Bolts | Outer Dia. | Hub OD | ISO Stud Size | Flange Length | RF Height | Flange Thick. | RF Dia. | PCD | Hole Size | Socket Bore | Weight in kg |
| A | C | D | F | B | E | G | H | ||||||
| 1/2 | 15 | 4 | 90 | 30 | M14 | 14 | 2 | 9.6 | 34.9 | 60.3 | 5/8 | 22.2 | 0.8 |
| 1 | 25 | 4 | 110 | 49 | M14 | 16 | 2 | 12.7 | 50.8 | 79.4 | 5/8 | 34.5 | 0.9 |
| 3/4 | 20 | 4 | 100 | 38 | M14 | 14 | 2 | 11.2 | 42.9 | 69.9 | 5/8 | 27.7 | 0.9 |
| 1 1/4 | 32 | 4 | 115 | 59 | M14 | 19 | 2 | 14.3 | 63.5 | 88.9 | 5/8 | 43.2 | 1.4 |
| 2 | 50 | 4 | 150 | 78 | M16 | 24 | 2 | 17.5 | 92.1 | 120.7 | 3/4 | 61.9 | 2.3 |
| 1 1/2 | 40 | 4 | 125 | 65 | M14 | 21 | 2 | 15.9 | 73 | 98.4 | 5/8 | 49.5 | 1.4 |
| 2 1/2 | 65 | 4 | 180 | 90 | M16 | 27 | 2 | 20.7 | 104.8 | 139.7 | 3/4 | 74.6 | 3.2 |
| 3 | 80 | 4 | 190 | 108 | M16 | 29 | 2 | 22.3 | 127 | 152.4 | 3/4 | 90.7 | 3.7 |
| 4 | 100 | 8 | 230 | 135 | M16 | 32 | 2 | 22.3 | 157.2 | 190.5 | 3/4 | 116.1 | 5.9 |
| 3 1/2 | 90 | 8 | 215 | 122 | M16 | 30 | 2 | 22.3 | 139.7 | 177.8 | 3/4 | 103.4 | 5 |
| 5 | 125 | 8 | 255 | 164 | M20 | 35 | 2 | 22.3 | 185.7 | 215.9 | 7/8 | 143.8 | 6.8 |
| 8 | 200 | 8 | 345 | 246 | M20 | 43 | 2 | 27 | 269.9 | 298.5 | 7/8 | 221.5 | 13.7 |
| 10 | 250 | 12 | 405 | 305 | M24 | 48 | 2 | 28.6 | 323.8 | 362 | 1 | 276.2 | 19.5 |
| 6 | 150 | 8 | 280 | 192 | M20 | 38 | 2 | 23.9 | 215.9 | 241.3 | 7/8 | 170.7 | 8.6 |
| 12 | 300 | 12 | 485 | 365 | M24 | 54 | 2 | 30.2 | 381 | 431.8 | 1 | 327 | 29 |
| 24 | 600 | 20 | 815 | 663 | M33 | 81 | 2 | 46.1 | 692.2 | 749.3 | 1 3/8 | 616 | 100 |
| 16 | 400 | 16 | 595 | 457 | M27 | 62 | 2 | 35 | 469.9 | 539.8 | 1 1/8 | 410.5 | 54 |
| 18 | 450 | 16 | 635 | 505 | M30 | 67 | 2 | 38.1 | 533.4 | 577.9 | 1 1/4 | 461.8 | 59 |
| 14 | 350 | 12 | 535 | 400 | M27 | 56 | 2 | 33.4 | 412.8 | 476.3 | 1 1/8 | 359.2 | 41 |
| 20 | 500 | 20 | 700 | 559 | M30 | 71 | 2 | 41.3 | 584.2 | 635 | 1 1/4 | 513.1 | 75 |

| Nominal Pipe Size | OD of Flange (D) | Dia of Bolt Circle (K) | No of Bolt Holes | Dia of Bolt Holes (L) | Thickness of Flange (B) | Dia of Bolt (inches) | Dia of Raised Face (G) | Approx Weight (kg) |
|---|---|---|---|---|---|---|---|---|
| 1/2 | 88.9 | 60.5 | 4 | 15.7 | 11.2 | 1/2 | 35.1 | 0.5 |
| 3/4 | 98.6 | 69.9 | 4 | 15.7 | 12.7 | 1/2 | 42.9 | 1 |
| 1 | 108 | 79.2 | 4 | 15.7 | 14.2 | 1/2 | 50.8 | 1 |
| 1-1/4 | 117.3 | 88.9 | 4 | 15.7 | 15.7 | 1/2 | 63.5 | 1 |
| 1-1/2 | 127 | 98.6 | 4 | 15.7 | 17.5 | 1/2 | 73.2 | 2 |
| 2 | 152.4 | 120.7 | 4 | 19.1 | 19.1 | 5/8 | 91.9 | 2 |
| 2-1/2 | 177.8 | 139.7 | 4 | 19.1 | 22.4 | 5/8 | 104.6 | 3 |
| 3 | 190.5 | 152.4 | 4 | 19.1 | 23.9 | 5/8 | 127 | 4 |
| 3-1/2 | 215.9 | 177.8 | 8 | 19.1 | 23.9 | 5/8 | 139.7 | 6 |
| 4 | 228.6 | 190.5 | 8 | 19.1 | 23.9 | 5/8 | 157.2 | 8 |
| 5 | 254 | 215.9 | 8 | 22.4 | 23.9 | 3/4 | 185.7 | 9 |
| 6 | 279.4 | 241.3 | 8 | 22.4 | 25.4 | 3/4 | 215.9 | 12 |
| 8 | 342.9 | 298.5 | 8 | 22.4 | 28.4 | 3/4 | 269.7 | 20 |
| 10 | 406.4 | 362 | 12 | 25.4 | 30.2 | 7/8 | 323.9 | 32 |
| 12 | 482.6 | 431.8 | 12 | 25.4 | 31.8 | 7/8 | 381 | 50 |
| 14 | 533.4 | 476.3 | 12 | 28.4 | 35.1 | 1 | 412.8 | 64 |
| 16 | 596.9 | 539.8 | 16 | 28.4 | 36.6 | 1 | 469.9 | 82 |
| 18 | 635 | 577.9 | 16 | 31.8 | 39.6 | 1-1/8 | 533.4 | 100 |
| 20 | 698.5 | 635 | 20 | 31.8 | 42.9 | 1-1/8 | 584.2 | 129 |
| 24 | 812.8 | 749.3 | 20 | 35.1 | 47.8 | 1-1/4 | 692.2 | 195 |

| Pipe Size (NPS) | Thickness of Flange C | Diameter of Raised Face B | Minimum Thread Length N | Diameter of Hub at Base J | Length of Hub L | Number of Bolt Holes | Outside Diameter of Flange A | Approx. Weight (Lbs.) |
|---|---|---|---|---|---|---|---|---|
| 1/2 | 7/16 | 1 3/8 | 5/8 | 1 3/16 | 5/8 | 4 | 3 1/2 | 2 |
| 3/4 | 1/2 | 1 11/16 | 5/8 | 1 1/2 | 5/8 | 4 | 3 7/8 | 2 |
| 1 | 9/16 | 2 | 11/16 | 1 15/16 | 11/16 | 4 | 4 1/4 | 2 |
| 1 1/4 | 5/8 | 2 1/2 | 13/16 | 2 5/16 | 13/16 | 4 | 4 5/8 | 3 |
| 1 1/2 | 11/16 | 2 7/8 | 7/8 | 2 9/16 | 7/8 | 4 | 5 | 3 |
| 2 | 3/4 | 3 5/8 | 1 | 3 7/16 | 1 | 4 | 6 | 5 |
| 2 1/2 | 7/8 | 4 1/8 | 1 1/8 | 3 9/16 | 1 1/8 | 4 | 7 | 7 |
| 3 | 15/16 | 5 | 1 3/16 | 4 1/4 | 1 3/16 | 4 | 7 1/2 | 8 |
| 3 1/2 | 15/16 | 5 1/2 | 1 1/4 | 4 13/16 | 1 1/4 | 8 | 8 1/2 | 11 |
| 4 | 15/16 | 6 3/16 | 1 5/16 | 5 5/16 | 1 5/16 | 8 | 9 | 13 |
| 5 | 15/16 | 7 5/16 | 1 7/16 | 6 7/16 | 1 7/16 | 8 | 10 | 15 |
| 6 | 1 | 8 1/2 | 1 9/16 | 7 9/16 | 1 9/16 | 8 | 11 | 19 |
| 8 | 1 1/8 | 10 5/8 | 1 3/4 | 9 11/16 | 1 3/4 | 8 | 13 1/2 | 30 |
| 10 | 1 3/16 | 12 3/4 | 1 15/16 | 12 | 1 15/16 | 12 | 16 | 43 |
| 12 | 1 1/4 | 15 | 2 3/16 | 14 3/8 | 2 3/16 | 12 | 19 | 64 |
| 14 | 1 3/8 | 16 1/4 | 2 1/4 | 15 3/4 | 2 1/4 | 12 | 21 | 85 |
| 16 | 1 7/16 | 18 1/2 | 2 1/2 | 18 | 2 1/2 | 16 | 23 1/2 | 93 |
| 18 | 1 9/16 | 21 | 2 11/16 | 19 7/8 | 2 11/16 | 16 | 25 | 120 |
| 20 | 1 11/16 | 23 | 2 7/8 | 22 | 2 7/8 | 20 | 27 1/2 | 155 |
| 22 | 1 13/16 | 25 1/4 | 3 1/8 | 24 | 3 1/8 | 20 | 29 1/2 | 159 |
| 24 | 1 7/8 | 27 1/4 | 3 1/4 | 26 1/8 | 3 1/4 | 20 | 32 | 210 |
| Nominal Pipe Size (in) | Class 150 | ||||
|---|---|---|---|---|---|
| Diameter of Flange (in) | No. of Bolts | Dia of Bolts (in) | Dia of Bolt Holes (in) | Bolt Circle (in) | |
| 1/4 | 3-3/8 | 4 | 1/2 | 0.62 | 2-1/4 |
| 1/2 | 3-1/2 | 4 | 1/2 | 0.62 | 2-3/8 |
| 3/4 | 3-7/8 | 4 | 1/2 | 0.62 | 2-3/4 |
| 1 | 4-1/4 | 4 | 1/2 | 0.62 | 3-1/8 |
| 1-1/4 | 4-5/8 | 4 | 1/2 | 0.62 | 3-1/2 |
| 1-1/2 | 5 | 4 | 1/2 | 0.62 | 3-7/8 |
| 2 | 6 | 4 | 5/8 | 0.75 | 4-3/4 |
| 2-1/2 | 7 | 4 | 5/8 | 0.75 | 5-1/2 |
| 3 | 7-1/2 | 4 | 5/8 | 0.75 | 6 |
| 3-1/2 | 8-1/2 | 8 | 5/8 | 0.75 | 7 |
| 4 | 9 | 8 | 5/8 | 0.75 | 7-1/2 |
| 5 | 10 | 8 | 3/4 | 0.88 | 8-1/2 |
| 6 | 11 | 8 | 3/4 | 0.88 | 9-1/2 |
| 8 | 13-1/2 | 8 | 3/4 | 0.88 | 11-3/4 |
| 10 | 16 | 12 | 7/8 | 1 | 14-1/4 |
| 12 | 19 | 12 | 7/8 | 1 | 17 |
| 14 | 21 | 12 | 1 | 1.12 | 18-3/4 |
| 16 | 23-1/2 | 16 | 1 | 1.12 | 21-1/4 |
| 18 | 25 | 16 | 1-1/8 | 1.25 | 22-3/4 |
| 20 | 27-1/2 | 20 | 1-1/8 | 1.25 | 25 |
| 24 | 32 | 20 | 1-1/4 | 1.38 | 29-1/2 |
| Nominal Pipe Size (inches) | Class 300 | ||||
|---|---|---|---|---|---|
| Dia of Flanges (inches) | No. of Bolts | Dia of Bolts (inches) | Dia of Bolt Holes (inches) | Bolt Circle (inches) | |
| 1/4 | 3-3/8 | 4 | 1/2 | 0.62 | 2-1/4 |
| 1/2 | 3-3/4 | 4 | 1/2 | 0.62 | 2-5/8 |
| 3/4 | 4-5/8 | 4 | 5/8 | 0.75 | 3-1/4 |
| 1 | 4-7/8 | 4 | 5/8 | 0.75 | 3-1/2 |
| 1-1/4 | 5-1/4 | 4 | 5/8 | 0.75 | 3-7/8 |
| 1-1/2 | 6-1/8 | 4 | 3/4 | 0.88 | 4-1/2 |
| 2 | 6-1/2 | 8 | 5/8 | 0.75 | 5 |
| 2-1/2 | 7-1/2 | 8 | 3/4 | 0.88 | 5-7/8 |
| 3 | 8-1/4 | 8 | 3/4 | 0.88 | 6-5/8 |
| 3-1/2 | 9 | 8 | 3/4 | 0.88 | 7-1/4 |
| 4 | 10 | 8 | 3/4 | 0.88 | 7-7/8 |
| 5 | 11 | 8 | 3/4 | 0.88 | 9-1/4 |
| 6 | 12-1/2 | 12 | 3/4 | 0.88 | 10-5/8 |
| 8 | 15 | 12 | 7/8 | 1 | 13 |
| 10 | 17-1/2 | 16 | 1 | 1.12 | 15-1/4 |
| 12 | 20-1/2 | 16 | 1-1/8 | 1.25 | 17-3/4 |
| 14 | 23 | 20 | 1-1/8 | 1.25 | 20-1/4 |
| 16 | 25-1/2 | 20 | 1-1/4 | 1.38 | 22-1/2 |
| 18 | 28 | 24 | 1-1/4 | 1.38 | 24-3/4 |
| 20 | 30-1/2 | 24 | 1-1/4 | 1.38 | 27 |
| 24 | 36 | 24 | 1-1/2 | 1.62 | 32 |
| Nominal Pipe Size (inches) | Class 400 | ||||
|---|---|---|---|---|---|
| Dia of Flange (inches) | No. of Bolts | Dia of Bolts (inches) | Dia of Bolt Holes (inches) | Bolt Circle (inches) | |
| 1/4 | 3-3/8 | 4 | 1/2 | 0.62 | 2-1/4 |
| 1/2 | 3-3/4 | 4 | 1/2 | 0.62 | 2-5/8 |
| 3/4 | 4-5/8 | 4 | 5/8 | 0.75 | 3-1/4 |
| 1 | 4-7/8 | 4 | 5/8 | 0.75 | 3-1/2 |
| 1-1/4 | 5-1/4 | 4 | 5/8 | 0.75 | 3-7/8 |
| 1-1/2 | 6-1/8 | 4 | 3/4 | 0.88 | 4-1/2 |
| 2 | 6-1/2 | 8 | 5/8 | 0.75 | 5 |
| 2-1/2 | 7-1/2 | 8 | 3/4 | 0.88 | 5-7/8 |
| 3 | 8-1/4 | 8 | 3/4 | 0.88 | 6-5/8 |
| 3-1/2 | 9 | 8 | 7/8 | 1 | 7-1/4 |
| 4 | 10 | 8 | 7/8 | 1 | 7-7/8 |
| 5 | 11 | 8 | 7/8 | 1 | 9-1/4 |
| 6 | 12-1/2 | 12 | 7/8 | 1 | 10-5/8 |
| 8 | 15 | 12 | 1 | 1.12 | 13 |
| 10 | 17-1/2 | 16 | 1-1/8 | 1.25 | 15-1/4 |
| 12 | 20-1/2 | 16 | 1-1/4 | 1.38 | 17-3/4 |
| 14 | 23 | 20 | 1-1/4 | 1.38 | 20-1/4 |
| 16 | 25-1/2 | 20 | 1-3/8 | 1.5 | 22-1/2 |
| 18 | 28 | 24 | 1-3/8 | 1.5 | 24-3/4 |
| 20 | 30-1/2 | 24 | 1-1/2 | 1.62 | 27 |
| 24 | 36 | 24 | 1-3/4 | 1.88 | 32 |
| Nominal Pipe Size NPS (in) | Class 600 | ||||
|---|---|---|---|---|---|
| Dia of Flange (in) | No. of Bolts | Dia of Bolts (in) | Dia of Bolt Holes (in) | Bolt Circle (in) | |
| 1/4 | 3-3/8 | 4 | 1/2 | 0.62 | 2-1/4 |
| 1/2 | 3-3/4 | 4 | 1/2 | 0.62 | 2-5/8 |
| 3/4 | 4-5/8 | 4 | 5/8 | 0.75 | 3-1/4 |
| 1 | 4-7/8 | 4 | 5/8 | 0.75 | 3-1/2 |
| 1-1/4 | 5-1/4 | 4 | 5/8 | 0.75 | 3-7/8 |
| 1-1/2 | 6-1/8 | 4 | 3/4 | 0.88 | 4-1/2 |
| 2 | 6-1/2 | 8 | 5/8 | 0.75 | 5 |
| 2-1/2 | 7-1/2 | 8 | 3/4 | 0.88 | 5-7/8 |
| 3 | 8-1/4 | 8 | 3/4 | 0.88 | 6-5/8 |
| 3-1/2 | 9 | 8 | 7/8 | 1 | 7-1/4 |
| 4 | 10-3/4 | 8 | 7/8 | 1 | 8-1/2 |
| 5 | 13 | 8 | 1 | 1.12 | 10-1/2 |
| 6 | 14 | 12 | 1 | 1.12 | 11-1/2 |
| 8 | 16-1/2 | 12 | 1-1/8 | 1.25 | 13-3/4 |
| 10 | 20 | 16 | 1-1/4 | 1.38 | 17 |
| 12 | 22 | 20 | 1-1/4 | 1.38 | 19-1/4 |
| 14 | 23-3/4 | 20 | 1-3/8 | 1.5 | 20-3/4 |
| 16 | 27 | 20 | 1-1/2 | 1.62 | 23-3/4 |
| 18 | 29-1/4 | 20 | 1-5/8 | 1.75 | 25-3/4 |
| 20 | 32 | 24 | 1-5/8 | 1.75 | 28-1/2 |
| 24 | 37 | 24 | 1-7/8 | 2 | 33 |
| Nominal Pipe Size NPS (in) |
Class 900 | ||||
|---|---|---|---|---|---|
| Dia of Flange (in) |
No. of Bolts |
Dia of Bolts (in) |
Dia of Bolt Holes (in) |
Bolt Circle (in) |
|
| 1/2 | 4-3/4 | 4 | 3/4 | 0.88 | 3-1/4 |
| 3/4 | 5-1/8 | 4 | 3/4 | 0.88 | 3-1/2 |
| 1 | 5-7/8 | 4 | 7/8 | 1 | 4 |
| 1-1/4 | 6-1/4 | 4 | 7/8 | 1 | 4-3/8 |
| 1-1/2 | 7 | 4 | 1 | 1.12 | 4-7/8 |
| 2 | 8-1/2 | 8 | 7/8 | 1 | 6-1/2 |
| 2-1/2 | 9-5/8 | 8 | 1 | 1.12 | 7-1/2 |
| 3 | 9-1/2 | 8 | 7/8 | 1 | 7-1/2 |
| 4 | 11-1/2 | 8 | 1-1/8 | 1.25 | 9-1/4 |
| 5 | 13-3/4 | 8 | 1-1/4 | 1.38 | 11 |
| 6 | 15 | 12 | 1-1/8 | 1.25 | 12-1/2 |
| 8 | 18-1/2 | 12 | 1-3/8 | 1.5 | 15-1/2 |
| 10 | 21-1/2 | 16 | 1-3/8 | 1.5 | 18-1/2 |
| 12 | 24 | 20 | 1-3/8 | 1.5 | 21 |
| 14 | 25-1/4 | 20 | 1-1/2 | 1.62 | 22 |
| 16 | 27-3/4 | 20 | 1-5/8 | 1.75 | 24-1/2 |
| 18 | 31 | 20 | 1-7/8 | 2 | 27 |
| 20 | 33-3/4 | 20 | 2 | 2.12 | 29-1/2 |
| 24 | 41 | 20 | 2-1/2 | 2.62 | 35-1/2 |
| Nominal Pipe Size (in) |
Class 1500 | ||||
|---|---|---|---|---|---|
| Dia of Flange (in) |
No. of Bolts |
Dia of Bolts (in) |
Dia of Bolt Holes (in) |
Bolt Circle (in) |
|
| 1/2 | 4-3/4 | 4 | 3/4 | 0.88 | 3-1/4 |
| 3/4 | 5-1/8 | 4 | 3/4 | 0.88 | 3-1/2 |
| 1 | 5-7/8 | 4 | 7/8 | 1 | 4 |
| 1-1/4 | 6-1/4 | 4 | 7/8 | 1 | 4-3/8 |
| 1-1/2 | 7 | 4 | 1 | 1.12 | 4-7/8 |
| 2 | 8-1/2 | 8 | 7/8 | 1 | 6-1/2 |
| 2-1/2 | 9-5/8 | 8 | 1 | 1.12 | 7-1/2 |
| 3 | 10-1/2 | 8 | 1-1/8 | 1.25 | 8 |
| 4 | 12-1/4 | 8 | 1-1/4 | 1.38 | 9-1/2 |
| 5 | 14-3/4 | 8 | 1-1/2 | 1.62 | 11-1/2 |
| 6 | 15-1/2 | 12 | 1-3/8 | 1.5 | 12-1/2 |
| 8 | 19 | 12 | 1-5/8 | 1.75 | 15-1/2 |
| 10 | 23 | 12 | 1-7/8 | 2 | 19 |
| 12 | 26-1/2 | 16 | 2 | 2.12 | 22-1/2 |
| 14 | 29-1/2 | 16 | 2-1/4 | 2.38 | 25 |
| 16 | 32-1/2 | 16 | 2-1/2 | 2.62 | 27-3/4 |
| 18 | 36 | 16 | 2-3/4 | 2.88 | 30-1/2 |
| 20 | 38-3/4 | 16 | 3 | 3.12 | 32-3/4 |
| 24 | 46 | 16 | 3-1/2 | 3.62 | 39 |
| Nominal Pipe Size (in) |
Class 2500 | ||||
|---|---|---|---|---|---|
| Dia of Flange (in) |
No. of Bolts |
Dia of Bolts (in) |
Dia of Bolt Holes (in) |
Bolt Circle (in) |
|
| 1/2 | 5-1/4 | 4 | 3/4 | 0.88 | 3-1/2 |
| 3/4 | 5-1/2 | 4 | 3/4 | 0.88 | 3-3/4 |
| 1 | 6-1/4 | 4 | 7/8 | 1 | 4-1/4 |
| 1-1/4 | 7-1/4 | 4 | 1 | 1.12 | 5-1/8 |
| 1-1/2 | 8 | 4 | 1-1/8 | 1.25 | 5-3/4 |
| 2 | 9-1/4 | 8 | 1 | 1.12 | 6-3/4 |
| 2-1/2 | 10-1/2 | 8 | 1-1/8 | 1.25 | 7-3/4 |
| 3 | 12 | 8 | 1-1/4 | 1.38 | 9 |
| 4 | 14 | 8 | 1-1/2 | 1.62 | 10-3/4 |
| 5 | 16-1/2 | 8 | 1-3/4 | 1.88 | 12-3/4 |
| 6 | 19 | 8 | 2 | 2.12 | 14-1/2 |
| 8 | 21-3/4 | 12 | 2 | 2.12 | 17-1/4 |
| 10 | 26-1/2 | 12 | 2-1/2 | 2.62 | 21-1/4 |
| 12 | 30 | 12 | 2-3/4 | 2.88 | 24-3/8 |
2500 LBS Copper Nickel 90/10 Girth Flanges
70/30 Copper Nickel Orifice Flanges
Copper Nickel Backing Rings
ASME B16.5 Cuni 70/30 Nipoflange Flanges
300 LBS Cupro nickel 70/30 Lapped Joint Flange
Cu-Ni 70/30 Spectacle Blind Flange
C71500 Flange
70/30 Copper Nickel Flanges
ASTM A151 Cuni C70600 BLRF Flanges
Cupro Nickel 90/10 Flanges
Cupro Nickel Flanges
Cupro Nickel 90/10 Slip On Flange
DIN 86037 Flange
C70600 Flange
Cupro Nickel 70/30 Flanges
90/10 Cu-Ni Ring Joint Flange
5000 NB DIN 2.0882 SORF Flanges
Cu-Ni 70/30 Reducing Flanges
70/30 Cu-Ni Socket Weld Flange
150 LBS 90/10 Cupro Nickel Screwed Flange
15 NB cu ni 70/30 Expander Flanges
Copper Nickel 70/30 Flanges
EEMUA 234 Flange
Cuni Flange
1500 LBS Cu-Ni 90/10 Long Weld Neck Flange
Collar DIN 86037
UNS C70600 Weld Neck Flanges
Copper nickel 70/30 Tongue & Groove Flange
Inner Flange DIN 86037
Copper Nickel Composite Flange
EEMUA 145 Flange
7060x Flange
900 LBS ASTM B171 UNS C70600 Threaded Flange
90/10 Copper Nickel SWRF Flanges
Copper Nickel Alloy 90/10 WNRF Flange
Copper nickel 90/10 Flanges
90/10 Copper Nickel Flanges
600 LBS 70/30 Cupro Nickel Blind Flange
Cupro Nickel Flange
| Grade | Fe | Cu | Pb | Ni | Mn | Zn |
| Cu-Ni 70-30 | 0.4-1.0 | 65.0 min | .05 max | 29-33 | 1 max | 1 max |
| Cu-Ni 90-10 | 1.8 max | 88.6 min | .05 max | 9-11 max | 1.0 max | 1 max |
| Typical Values | Units | CuNi 70/30 | CuNi 90/10 |
| Proof Stress (YS 0,2), (Rp 0,2) | MPa | > 130 | > 110 |
| ksi | > 19 | > 16 | |
| Tensile Strength (UTS),(Rm) | MPa | > 350 | > 310 |
| ksi | > 51 | > 44 | |
| Hardness (HB10 D2 ) | > 80 | > 70 | |
| Elongation (E 5,65 VS) | % | > 30 | > 35 |
| Values | Units | CuNi 70/30 | CuNi 90/10 |
| Density (20°C) | kg/m3 | 8900 | 8900 |
| Magnetic Permeability (20°C annealed) | < 1.05 | 1.08 – 1.80 | |
| Thermal Conductivity (20°C to 200°C) | W/m.°K | 30 | 50 |
| Modulus of Elasticity (20°C annealed) | Mpa | 126 000 | 126 000 |
| Electrical Resistivity (20°C annealed) | μΩ.cm | 34 | 19 |
| Annealing Temperature | °C | 760 820 | 760 – 800 |
| Coefficient of Expansion (20°C to 200°C) | C x 10-6 | 16 | 17 |
| Melting Interval | °C | 1180 1240 | 1100 – 1150 |
| STANDARD | WERKSTOFF NR. | UNS |
| Cupro Nickel 90/10 | 2.0872 | C70600 |
| Cupro Nickel 70/30 | 2.0882 | C71500 |
| Working Temperature | up to 300 Degree C |
Measuring Process Includes:
Welding copper-nickel alloys flanges is simple. Welders of simple metallic structures do not need to pre-heat surfaces or apply any post-welding treatments because of the alloys. The sole criterion is that all surfaces that will be welded are free of impurities.

They're very similar to one other, and they're common in applications that necessitate frequent disassembly for inspection. A lap joint copper nickel flange, on the other hand, is designed with a curved radius on the bore and face to accommodate the stub end of a lap joint.
The diameter of a circle that passes through each of the bolt holes is known as PCD (Pitch Circle Diameter). The Pitch Circle Diameter (PCD), which can indicate if the flange bolt holes will match, is one of the most significant metrics. From one side of the interior opening to the other, take a measurement across the center.
Open-die Drop Forging
Impression-die Forging
Loose Tooling Forging

ANSI is a US standard, while DIN is a European Union standard. ANSI or DIN certified flanges are available depending on the location.
Dimensions are measured in inches and pressure is measured in pounds per square inch (psi) according to ANSI standards. Dimensions for DIN, on the other hand, are measured in metric units with pressure in bars.
Flanges Material
Pipe Fittings Material
Other Products