What is Nickel Alloy Pipe Fittings?
The Nickel Alloy material is one of the popular alloys for making pipe fittings that help in resisting corrosion. The alloy has several elements with nickel being the principal one. The forged Nickel Alloy Pipe Fittings are heavy, thick, and primarily used for heavy industrial usage. The Nickel Alloy Pipe Fittings are able to retain its features even at cryogenic temperature due to its low rate of thermal expansion.
The Nickel Alloy Pipe Fittings are manufactured by cold forming. This means that they can easily be molded and bent to give the desired shape. There are Nickel Alloy Buttwelded, Threaded and Socket Welded Pipe Fittings, which are used in different conditions according to their constructions. The Nickel Alloy Pipe Fittings are widely used in different industries like oil field, shipbuilding, natural gas, electric power, defense industry, etc.
ASTM B564 UNS N02200 Threaded Fittings Vs Nickel 200 Socket Weld Fittings
ASTM B564 UNS N02200 Threaded Fittings are the most traditional methods of connecting the piping system. They are mainly used with smaller pipes whose nominal diameter is NPS 2 or lesser. Here no welding is involved, and thus it bears low leakage integrity. That is why they are used in non-critical and low-cost applications.
The Nickel 200 Socket Weld Fittings have a recessed area, through which the pipe can be inserted. This one too is used for smaller pipes that have the nominal diameters of NPS or smaller. They have a high leakage integrity, and great structural strength. That is why they are used in more critical applications.
Alloy 200 Elbow Vs ASTM B366 UNS N02200 Reducer
The Alloy 200 Elbow is primarily used for changing the flow direction in the pipe run. They are available with a bend of 90 degrees and 45 degrees. However, the angle can also be customized as per requirement. They are available in short radius, where R=D and long radius, where R= 1.5D; R is the radius of curvature and D is the diameter of the pipe.
The ASTM B366 UNS N02200 Reducer helps to change the size of the pipe from a larger to a smaller bore. There are two types of reducers, namely concentric reducers which are used when the central line of the large and small pipes needs to be maintained the same, and eccentric reducers which are used when the outside surface of the pipeline needs to be the same.
Nickel 200 Fittings Vs Nickel 201 Fittings
The main difference between Nickel 200 Fittings and Nickel 201 Fittings is in their chemical composition and carbon content. The 201 grade can be described as the low carbon version of the 200 grade, and that change in the chemical composition also brings about a little variation in their purposes. While the Nickel 200 alloy has higher strength, the 201 grade comes with a higher stability.
Nickel Alloy Pipe Fittings
Table of Content
| Nickel Alloy Pipe Fittings Specifications | ASTM B366 |
|---|---|
| Nickel 200 Pipe Fittings Sizes | Nickel Alloy 201 Seamless Fittings: 1/2" - 10" ASME B16 9 Nickel 201 Welded Fittings: 1/2" - 48" |
| Ni 200 Fittings Dimensions | ASME B16.28, ASME/ANSI B16.9, BS4504, MSS-SP-43, BS1560, BS4504, BS10 |
| Alloy 200 Fittings Thickness | SCH30, SCH10, SCH 160, SCH20, SCH60, XS, STD SCH40, SCH 80, SCH 120, SCH 140, SCH 100, XXS available with NACE MR 01-75 |
| Ni Alloy Pipe Fittings Type Manufacturer | DN15-DN1200 |
| Nickel 201 Fittings Connection | Welding |
| Bending Radius Provided By Manufacturer | R=1D, 3D, 2D, 5D, 8D, 6D, 10D or Custom Nickel Alloy Pipe Fittings |
| Size Range | ½" NB to 24" NB in Sch 10s, 40s, 80s, 160s, XXS. (DN6~DN100) Nickel 200 Pipe Fittings |
| Din 2.4066 Elbows Manufacturer | Angle : 22.5 deg, 45 deg, 30deg, 90 deg, 1.0D, 180 deg, 1.5D, 3D, 2.5D, 2.0D, 4D, 6D, 5D, 7D-40D . Standard: ASME B16.28, GB, ASME B16.9, MSS SP-75 JISB2311 DIN2605 JISB2312 JISB2313, ASME B16.25, BS, ISO |
| Nickel 200 Fittings Manufacturing process | Push, Forge, Press, Cast, etc. |
| Test Certificates For Nickel Alloy Pipe Fittings Manufacturer | EN 10204/3.1B Raw Materials Certificate 100% Radiography Test Report Third Party Inspection Report, etc |
| Alloy 201 Fitting Origin & Mills | European, Japanese, USA, Korean, Ukraine, Indian, Russian |
| Specialized Nickel 201 Buttweld Fittings manufacturer of | Ni Alloy 200 Stub End, 90º Elbows, Tees, Pipe Cap, Crosses, 45º Elbows, Reducers, Pipe Bend |
| Application of Industrial Alloy 200 Fitting |
|
| Alloy 201 Threaded Fitting Thread Provided By Manufacturer | BSPT, NPT, BSPP |
| Nickel Alloy Forged Fittings Pressure Rating | Threaded end - 3000lb/ 2000lb/ 6000lbs Socket weld end- 6000/ 3000/ 9000lbs |
| Dimension Specification | MSS SP-79, 95, 83, 97, BS 3799, ASME 16.11 |
| Ni Alloy 201 Products Manufacturer | Half Coupling, Union, Tee, Cross, Coupling, Cap, Outlet, Welding Outlet, Boss, Insert |
Leading Nickel 200 Fittings supplier, wholesalers, stockholders, importer, stockists, distributor, dealers, exporters and Manufacturer in Mumbai
Nickel Alloy 200 Forged Fittings
Nickel 201 Forged Elbow
Alloy 200 Forged Coupling
Nickel 200 Socket Weld Fittings
ASTM B564 Uns N02200 SW Elbow
200 Nickel Alloy Socket Weld Coupling
Nickel Alloy 201 Threaded Fittings
Ni Alloy 200 Threaded Coupling
ASME SB564 UNS N02201 Threaded Nipple
| Normal Size Of Pipe (inches) |
Pipe Sch | OD
(inch) |
Wall Thick. (inch) |
Temperature (oF) | ||||||||
|---|---|---|---|---|---|---|---|---|---|---|---|---|
| 100 | 200 | 300 | 400 | 500 | 600 | 650 | 700 | 750 | ||||
| Allowable Stress (psi) | ||||||||||||
| 16700 | 16700 | 16700 | 15500 | 14400 | 13500 | 13200 | 12900 | 12600 | ||||
| 1" | 40 | 1.315 | 0.133 | 2205 | 2205 | 2205 | 2047 | 1902 | 1783 | 1743 | 1703 | 1664 |
| 80 | 1.315 | 0.179 | 3061 | 3061 | 3061 | 2841 | 2640 | 2475 | 2420 | 2365 | 2310 | |
| 160 | 1.315 | 0.250 | 4493 | 4493 | 4493 | 4170 | 3874 | 3632 | 3552 | 3471 | 3390 | |
| 1 1/2" | 40 | 1.900 | 0.145 | 1629 | 1629 | 1629 | 1512 | 1404 | 1317 | 1287 | 1258 | 1229 |
| 80 | 1.900 | 0.200 | 2303 | 2303 | 2303 | 2138 | 1986 | 1862 | 1821 | 1779 | 1738 | |
| 160 | 1.900 | 0.281 | 3362 | 3362 | 3362 | 3120 | 2899 | 2717 | 2657 | 2597 | 2536 | |
| 2" | 40 | 2.375 | 0.154 | 1371 | 1371 | 1371 | 1272 | 1182 | 1108 | 1083 | 1059 | 1034 |
| 80 | 2.375 | 0.218 | 1985 | 1985 | 1985 | 1843 | 1712 | 1605 | 1569 | 1534 | 1498 | |
| 160 | 2.375 | 0.344 | 3283 | 3283 | 3283 | 3047 | 2831 | 2654 | 2595 | 2536 | 2477 | |
| 3" | 40 | 3.500 | 0.216 | 1301 | 1301 | 1301 | 1208 | 1122 | 1052 | 1028 | 1005 | 982 |
| 80 | 3.500 | 0.300 | 1844 | 1844 | 1844 | 1712 | 1590 | 1491 | 1458 | 1425 | 1391 | |
| 160 | 3.500 | 0.438 | 2787 | 2787 | 2787 | 2587 | 2403 | 2253 | 2203 | 2153 | 2103 | |
| 4" | 40 | 4.500 | 0.237 | 1102 | 1102 | 1102 | 1023 | 950 | 891 | 871 | 851 | 831 |
| 80 | 4.500 | 0.337 | 1596 | 1596 | 1596 | 1482 | 1377 | 1291 | 1262 | 1233 | 1204 | |
| 160 | 4.500 | 0.531 | 2611 | 2611 | 2611 | 2424 | 2552 | 2111 | 2064 | 2017 | 1970 | |
| 5" | 40 | 5.563 | 0.258 | 965 | 965 | 965 | 896 | 832 | 780 | 763 | 746 | 728 |
| 80 | 5.563 | 0.375 | 1428 | 1428 | 1428 | 1325 | 1231 | 1154 | 1129 | 1103 | 1077 | |
| 160 | 5.563 | 0.625 | 2474 | 2474 | 2474 | 2296 | 2133 | 2000 | 1955 | 1911 | 1866 | |
| 6" | 40 | 6.625 | 0.280 | 877 | 877 | 877 | 814 | 756 | 709 | 693 | 677 | 661 |
| 80 | 6.625 | 0.432 | 1379 | 1379 | 1379 | 1280 | 1189 | 1115 | 1090 | 1065 | 1040 | |
| 160 | 6.625 | 0.719 | 2382 | 2382 | 2382 | 2211 | 2054 | 1925 | 1883 | 1840 | 1797 | |
| 8" | 40 | 8.625 | 0.322 | 771 | 771 | 771 | 716 | 665 | 623 | 610 | 596 | 582 |
| 80 | 8.625 | 0.500 | 1218 | 1218 | 1218 | 1131 | 1050 | 985 | 963 | 941 | 919 | |
| 160 | 8.625 | 0.906 | 2298 | 2298 | 2298 | 2133 | 1982 | 1858 | 1817 | 1775 | 1734 | |
| 10" | 40 | 10.750 | 0.365 | 699 | 699 | 699 | 649 | 603 | 565 | 553 | 540 | 528 |
| 80 | 10.750 | 0.594 | 1159 | 1159 | 1159 | 1075 | 999 | 937 | 916 | 895 | 874 | |
| 160 | 10.750 | 1.125 | 2289 | 2289 | 2289 | 2124 | 1974 | 1850 | 1809 | 1768 | 1727 | |
| Nickel Alloy Pipe Fittings Price Per Piece in India | Nickel Alloy Fittings Price in INR | Brushed Nickel Fittings Price in UAE Dirham | Nickel Alloy Fittings Price in USD |
| NICKEL 200/201 SEAMLESS 3 ELBOW 90 LR SCH10S Per Piece | 9,645 | UAE Dirham 476.51 | $129.73 |
| ALLOY 200/201 1.5X1 S40S RED TEE Per Piece | 8,789 | UAE Dirham 434.22 | $118.22 |
| NICKEL ALLOY FITTINGS: 200/201 B366 SMLS 2/ 1 1/2 S40 CONCENTRIC REDUCER Per Piece | 9,984 | UAE Dirham 493.26 | $134.29 |
| NICKEL 200/201 SEAMLESS 11/2 STUB END SCH10S Per Piece | 6,319 | UAE Dirham 312.19 | $85.00 |
This is an approximate Cost of Alloy 200 Fittings in India. Feel free to contact us latest price list of Nickel Alloy Pipe Fittings in Mumbai. Compare our price with other Nickel Alloy Pipe Fittings Manufacturer in India.

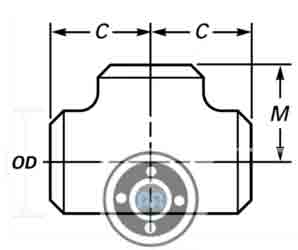
| NOMINAL PIPE SIZE | LENGTH | CENTER TO END | OUTSIDE DIAMETER |
|---|---|---|---|
| Inch. | M | C | OD |
| 1/2 | 25 | 25 | 21.3 |
| 3/4 | 29 | 29 | 26.7 |
| 1 | 38 | 38 | 33.4 |
| 1 1/4 | 48 | 48 | 42.2 |
| 1 1/2 | 57 | 57 | 48.3 |
| 2 | 64 | 64 | 60.3 |
| 2 1/2 | 76 | 76 | 73 |
| 3 | 86 | 86 | 88.9 |
| 3 1/2 | 95 | 95 | 101.6 |
| 4 | 105 | 105 | 114.3 |
| 5 | 124 | 124 | 141.3 |
| 6 | 143 | 143 | 168.3 |
| 8 | 178 | 178 | 219.1 |
| 10 | 216 | 216 | 273.1 |
| 12 | 254 | 254 | 323.9 |
| 14 | 279 | 279 | 355.6 |
| 16 | 305 | 305 | 406.4 |
| 18 | 343 | 343 | 457.2 |
| 20 | 381 | 381 | 508 |
| 22 | 419 | 419 | 559 |
| 24 | 432 | 432 | 610 |
| 26 | 495 | 495 | 660 |
| 28 | 521 | 521 | 711 |
| 30 | 559 | 559 | 762 |
| 32 | 597 | 597 | 813 |
| 34 | 635 | 635 | 864 |
| 36 | 673 | 673 | 914 |
| 38 | 711 | 711 | 965 |
| 40 | 749 | 749 | 1016 |
| 42 | 711 | 762 | 1067 |
| 44 | 762 | 813 | 1118 |
| 46 | 800 | 851 | 1168 |
| 48 | 838 | 889 | 1219 |
| NPS | KG | LBS |
| 1/2 | 0.16 | 0.35 |
| 3/4 | 0.2 | 0.45 |
| 1 | 0.34 | 0.75 |
| 1¼ | 0.59 | 1.3 |
| 1½ | 0.91 | 2 |
| 2 | 1.59 | 3.5 |
| 2½ | 2.72 | 6 |
| 3 | 3.18 | 7 |
| 3½ | 4.08 | 9 |
| 4 | 5.44 | 12 |
| 5 | 9.53 | 21 |
| 6 | 15.42 | 34 |
| 8 | 24.95 | 55 |
| 10 | 38.56 | 85 |
| 12 | 54.43 | 120 |
| 14 | 74.84 | 165 |
| 16 | 88.45 | 195 |
| 18 | 112.94 | 249 |
| 20 | 155.13 | 342 |
| 22 | 187.79 | 414 |
| 24 | 239.5 | 528 |
| 26 | 349.27 | 770 |
| 30 | 480.81 | 1060 |
| 36 | 675.85 | 1490 |
| Nominal Size | SCH20 | STD | SCH40S | SCH80S | SCH120 | SCH160 | |
| DN | NPS | ||||||
| 15 | 1/2 | 0.08 | 0.08 | 0.1 | |||
| 20 | 3/4 | 0.17 | 0.17 | 0.2 | |||
| 25 | 1 | 0.21 | 0.21 | 0.25 | 0.22 | ||
| 32 | 1 1/4 | 0.29 | 0.29 | 0.35 | |||
| 40 | 1 1/2 | 0.42 | 0.42 | 0.58 | 0.6 | ||
| 50 | 2 | 0.8 | 0.8 | 1.03 | 1.04 | ||
| 65 | 2 1/2 | 1.05 | 1.05 | 1.42 | 1.65 | ||
| 80 | 3 | 1.36 | 1.36 | 1.9 | |||
| 90 | 3 1/2 | 1.63 | 1.63 | 2.27 | 2.4 | ||
| 100 | 4 | 2.77 | 2.77 | 3.93 | 4.4 | ||
| 125 | 5 | 3.96 | 3.96 | 6 | 7.14 | ||
| 150 | 6 | 6.31 | 6.31 | 9.26 | 10.8 | ||
| 200 | 8 | 7.85 | 10.7 | 10.7 | 17.5 | 15 | 18.4 |
| 250 | 10 | 11.2 | 15.8 | 16.3 | 25.1 | 25.1 | 32.5 |
| 300 | 12 | 25.6 | 28.8 | 32.1 | 56.5 | 41.7 | 53.3 |
| 350 | 14 | 30.5 | 38.5 | 48.8 | 79 | 84.5 | 106 |
| 400 | 16 | 35.2 | 44.5 | 64.3 | 102 | 112 | 143 |
| 450 | 18 | 62.7 | 62.7 | 98.5 | 165 | ||
| 500 | 20 | 72.6 | 72.6 | 181 | |||
| 550 | 22 | 97 | 79.1 | 142 | 226 | ||
| 600 | 24 | 130 | 100 | ||||
| Nominal Pipe Size |
Outside Diameter |
Reducers | ||
|---|---|---|---|---|
| Reduced from (inches) |
(inches) | (mm) | Concentric & Eccentric Length (inches) |
Reduced to (inches) |
| 1/2 | 0.840 | 21.3 | 1 1/2 | 1/4 |
| 1 1/2 | 3/8 | |||
| 3/4 | 1.050 | 26.7 | 2 | 3/8 |
| 2 | 1/2 | |||
| 1 | 1.315 | 33.4 | 2 | 3/8 |
| 2 | 1/2 | |||
| 2 | 3/4 | |||
| 1 1/4 | 1.660 | 42.2 | 2 | 1/2 |
| 2 | 3/4 | |||
| 2 | 1 | |||
| 1 1/2 | 1.900 | 48.3 | 2 1/2 | 1/2 |
| 2 1/2 | 3/4 | |||
| 2 1/2 | 1 | |||
| 2 1/2 | 1 1/4 | |||
| 2 | 2.375 | 60.3 | 3 | 3/4 |
| 3 | 1 | |||
| 3 | 1 1/4 | |||
| 3 | 1 1/2 | |||
| 2 1/2 | 2.875 | 73.0 | 3 1/2 | 1 |
| 3 1/2 | 1 1/4 | |||
| 3 1/2 | 1 1/2 | |||
| 3 1/2 | 2 | |||
| 3 | 3.500 | 88.9 | 3 1/2 | 1 |
| 3 1/2 | 1 1/2 | |||
| 3 1/2 | 2 | |||
| 3 1/2 | 2 1/2 | |||
| 3 1/2 | 4.000 | 101.6 | 4 | 1 1/4 |
| 4 | 1 1/2 | |||
| 4 | 2 | |||
| 4 | 2 1/2 | |||
| 4 | 3 | |||
| 4 | 4.500 | 114.3 | 4 | 1 1/2 |
| 4 | 2 | |||
| 4 | 2 1/2 | |||
| 4 | 3 | |||
| 4 | 3 1/2 | |||
| 5 | 5.563 | 141.3 | 5 | 2 |
| 5 | 2 1/2 | |||
| 5 | 3 | |||
| 5 | 3 1/2 | |||
| 5 | 4 | |||
| 6 | 6.625 | 168.3 | 5 1/2 | 2 1/2 |
| 5 1/2 | 3 | |||
| 5 1/2 | 3 1/2 | |||
| 5 1/2 | 4 | |||
| 5 1/2 | 5 | |||
| 8 | 8.625 | 219.1 | 6 | 3 |
| 6 | 3 1/2 | |||
| 6 | 4 | |||
| 6 | 5 | |||
| 6 | 6 | |||
| 10 | 10.750 | 273.1 | 7 | 4 |
| 7 | 5 | |||
| 7 | 6 | |||
| 7 | 8 | |||
| 12 | 12.750 | 323.9 | 8 | 5 |
| 8 | 6 | |||
| 8 | 8 | |||
| 8 | 10 | |||

| NOMINAL PIPE SIZE | END TO END | OUTSIDE DIAMETER | |
|---|---|---|---|
| Inch | H | D | P |
| 3/4 x 1/2 | 38 | 26.7 | 21.3 |
| 3/4 x 3/8 | 38 | 26.7 | 17.1 |
| 1 x 3/4 | 51 | 33.4 | 26.7 |
| 1 x 1/2 | 51 | 33.4 | 21.3 |
| 1 1/4 x 1 | 51 | 42.2 | 33.4 |
| 1 1/4 x 3/4 | 51 | 42.2 | 26.7 |
| 1 1/4 x 1/2 | 51 | 42.2 | 21.3 |
| 1 1/2 x 1 1/2 | 64 | 48.3 | 42.2 |
| 1 1/2 x 1 | 64 | 48.3 | 33.4 |
| 1 1/2 x 3/4 | 64 | 48.3 | 26.7 |
| 1 1/2 x 1/2 | 64 | 48.3 | 21.3 |
| 2 x 1 1/2 | 76 | 60.3 | 48.2 |
| 2 x 1 1/4 | 76 | 60.3 | 42.2 |
| 2 x 1 | 76 | 60.3 | 33.4 |
| 2 x 3/4 | 76 | 60.3 | 26.7 |
| 2 1/2 x 2 | 89 | 73 | 60.3 |
| 2 1/2 x 1 1/2 | 89 | 73 | 48.3 |
| 2 1/2 x 1 1/4 | 89 | 73 | 42.2 |
| 2 1/2 x 1 | 89 | 73 | 33.4 |
| 3 x 2 1/2 | 89 | 88.9 | 73 |
| 3 x 2 | 89 | 88.9 | 60.3 |
| 3 x 1 1/2 | 89 | 88.9 | 48.3 |
| 3 x 1 1/4 | 89 | 88.9 | 42.2 |
| 3 1/2 x 3 | 102 | 101.6 | 88.9 |
| 3 1/2 x 21/2 | 102 | 101.6 | 73 |
| 3 1/2 x 2 | 102 | 101.6 | 60.3 |
| 3 1/2 x 1 1/2 | 102 | 101.6 | 48.3 |
| 3 1/2 x 1 1/4 | 102 | 101.6 | 42.2 |
| 4 x 3 1/2 | 102 | 114.3 | 101.6 |
| 4 x 3 | 102 | 114.3 | 88.9 |
| 4 x 2 1/2 | 102 | 114.3 | 73 |
| 4 x 2 | 102 | 114.3 | 60.3 |
| 4 x 1 1/2 | 102 | 114.3 | 48.3 |
| 5 x 4 | 127 | 141.3 | 114.3 |
| 5 x 3 1/2 | 127 | 141.3 | 101.6 |
| 5 x 3 | 127 | 141.3 | 88.9 |
| 5 x 2 1/2 | 127 | 141.3 | 73 |
| 5 x 2 | 127 | 141.3 | 60.3 |
| 6 x 5 | 140 | 168.3 | 141.3 |
| 6 x 4 | 140 | 168.3 | 114.3 |
| 6 x 3 1/2 | 140 | 168.3 | 101.6 |
| 6 x 3 | 140 | 168.3 | 88.9 |
| 6 x 2 1/2 | 140 | 168.3 | 73 |
| 8 x 6 | 152 | 219.1 | 168.3 |
| 8 x 5 | 152 | 219.1 | 141.3 |
| 8 x 4 | 152 | 219.1 | 114.3 |
| 8 x 3 1/2 | 152 | 219.1 | 101.6 |
| 10 x 8 | 178 | 273.1 | 219.1 |
| 10 x 6 | 178 | 273.1 | 168.1 |
| 10 x 5 | 178 | 273.1 | 141.3 |
| 10 x 4 | 178 | 273.1 | 114.3 |
| 12 x 10 | 203 | 323.9 | 273.1 |
| 12 x 8 | 203 | 323.9 | 219.1 |
| 12 x 6 | 203 | 323.9 | 168.3 |
| 12 x 5 | 203 | 323.9 | 141.3 |
| 14 x 12 | 330 | 355.6 | 323.9 |
| 14 x 10 | 330 | 355.6 | 273.1 |
| 14 x 8 | 330 | 355.6 | 219.1 |
| 14 x 6 | 330 | 355.6 | 168.3 |
| 16 x 14 | 356 | 406.4 | 355.6 |
| 16 x 12 | 356 | 406.4 | 323.9 |
| 16 x 10 | 356 | 406.4 | 273.1 |
| 16 x 8 | 356 | 406.4 | 219.1 |
| 16 x 6 | 356 | 406.4 | 168.3 |
| 18 x 16 | 381 | 457 | 406.4 |
| 18 x 14 | 381 | 457 | 355.6 |
| 18 x 12 | 381 | 457 | 323.9 |
| 18 x 10 | 381 | 457 | 273.1 |
| 18 x 8 | 381 | 457 | 219.1 |
| 20 x 18 | 508 | 508 | 457 |
| 20 x 16 | 508 | 508 | 406.4 |
| 20 x 14 | 508 | 508 | 355.6 |
| 20 x 12 | 508 | 508 | 323.9 |
| 20 x 10 | 508 | 508 | 273.1 |
| 20 x 8 | 508 | 508 | 219.1 |
| 22 x 20 | 508 | 559 | 508 |
| 22 x 18 | 508 | 559 | 457 |
| 22 x 16 | 508 | 559 | 406.4 |
| 22 x 14 | 508 | 559 | 355.6 |
| 22 x 12 | 508 | 559 | 323.9 |
| 24 x 10 | 508 | 559 | 273.1 |
| 24 x 22 | 508 | 610 | 559 |
| 24 x 20 | 508 | 610 | 508 |
| 24 x 18 | 508 | 610 | 457 |
| 24 x 16 | 508 | 610 | 406.4 |
| 24 x 14 | 508 | 610 | 355.6 |
| 24 x 12 | 508 | 610 | 323.9 |
| 24 x 10 | 508 | 610 | 273.1 |

| NPS | O.D. D |
90° 3D Center to End A |
45° 3D Center to End B |
45° Long Rad Center to End B |
90° Long Rad Center to End A |
| 18 | 457 | 1372 | 568 | 286 | 686 |
| 20 | 508 | 1524 | 632 | 318 | 762 |
| 22 | 559 | 1676 | 694 | 343 | 838 |
| 24 | 610 | 1829 | 757 | 381 | 914 |
| 26 | 660 | 1981 | 821 | 406 | 991 |
| 28 | 711 | 2134 | 883 | 438 | 1067 |
| 30 | 762 | 2286 | 946 | 470 | 1143 |
| 32 | 813 | 2438 | 1010 | 502 | 1219 |
| 34 | 864 | 2591 | 1073 | 533 | 1295 |
| 36 | 914 | 2743 | 1135 | 565 | 1372 |
| 38 | 965 | 2896 | 1200 | 600 | 1448 |
| 40 | 1016 | 3048 | 1264 | 632 | 1524 |
| 42 | 1067 | 3200 | 1326 | 660 | 1600 |
| 44 | 1118 | 3353 | 1389 | 695 | 1676 |
| 46 | 1168 | 3505 | 1453 | 727 | 1753 |
| 48 | 1219 | 3658 | 1516 | 759 | 1829 |
| Nominal Pipe Size | Outside Diameter | 90° Elbows | 45° Elbows | 180° Returns | ||||
|---|---|---|---|---|---|---|---|---|
| (inches) | Long Radius | Short Radius | Long Radius | Long Radius | ||||
| (mm) | (inches) | Center to Face (inches) |
Center to Face (inches) |
Center to Face (inches) |
Radius (inches) |
Center to Center (inches) |
Back to face (inches) |
|
| 1/2 | 21.3 | 0.840 | 1 1/2 | - | 5/8 | 2 | 1 7/8 | |
| 3/4 | 26.7 | 1.050 | 1 1/8 | - | 7/16 | 2 1/4 | 1 11/16 | |
| 1 | 33.4 | 1.315 | 1 1/2 | 1 | 7/8 | 3 | 2 3/16 | |
| 1 1/4 | 42.2 | 1.660 | 1 7/8 | 1 1/4 | 1 | 3 3/4 | 2 3/4 | |
| 1 1/2 | 48.3 | 1.900 | 2 1/4 | 1 1/2 | 1 1/8 | 3 | 4 1/2 | 3 1/4 |
| 2 | 60.3 | 2.375 | 3 | 2 | 1 3/8 | 4 | 6 | 4 3/16 |
| 2 1/2 | 73.0 | 2.875 | 3 3/4 | 2 1/2 | 1 3/4 | 5 | 7 1/2 | 5 3/16 |
| 3 | 88.9 | 3.500 | 4 1/2 | 3 | 2 | 6 | 9 | 6 1/4 |
| 3 1/2 | 101.6 | 4.000 | 5 1/4 | 3 1/2 | 2 1/4 | 7 | 10 1/2 | 7 1/4 |
| 4 | 114.3 | 4.500 | 6 | 4 | 2 1/2 | 8 | 12 | 8 1/4 |
| 5 | 141.3 | 5.563 | 7 1/2 | 5 | 3 1/8 | 10 | 15 | 10 5/16 |
| 6 | 168.3 | 6.625 | 9 | 6 | 3 3/4 | 12 | 18 | 12 5/16 |
| 8 | 219.1 | 8.625 | 12 | 8 | 5 | 12 | 24 | 16 5/16 |
| 10 | 273.1 | 10.750 | 15 | 10 | 6 1/4 | 15 | 30 | 20 3/8 |
| 12 | 323.9 | 12.750 | 18 | 12 | 7 1/2 | 18 | 36 | 24 3/8 |
SCH 160 Nickel Alloy 201 90° Long Radius Elbow
Uns N02200 90° Short Radius Elbow
ASTM B366 UNS N02200 45° Long Radius Elbow
SCH 60 Din 2.4066 45° Short Radius Elbow
Ni Alloy 201 180° Long Radius Elbow
SCH XXS Din 2.4068 180° Short Radius Elbow
Nickel Alloy Ni-200 1D Elbow
SCH 140 UNS N02201 1.5D Elbow
Nickel UNS N02200 3D Elbow
Ni Alloy 200 5D Elbow
SCH 120 Nickel 200 10D ELBOW
Nickel Alloy 200 Seamless Buttwelding 45° and 90° Elbows
15 NB SCH 100 Alloy 200 Welded Elbows
Nickel 201 Seamless Buttwelding 180° Returns
200 Nickel Alloy Straight Tees and Crosses
SCH 10 Ni 200 Reducing Outlet Tees and Reducing Outlet Crosses
Nickel Alloy 200 Equal Tee
Ni Alloy 200 Reducing Tee
Alloy 200 Equal Cross
Ni 200 Reducing Cross
450 NB SCH 40 Nickel Alloy 201 Reducers
Nickel 201 Concentric Reducer
Uns N02200 Eccentric Reducer
SCH 20 UNS N02201 Stub End
Nickel Alloy 201 Lap Joint Stub Ends
SCH 80 Nickel 201 Long Stubend
Nickel Alloy 200 Short Stubend
SCH XS Nickel 200 Pipe Cap
200 Nickel Alloy End Cap
Din 2.4068 Collar
Nickel UNS N02200 Swage Nipple
SCH STD Nickel Alloy Ni-200 Pipe Nipples
Ni Alloy 201 Barrel Nipple
SCH 30 ASTM B564 UNS N02200 Reducing Nipple
Din 2.4066 Bend
Nickel 200 Long Radius Bend
| Grade | Nickel | Carbon | Manganese | Silicon | sulfur | Copper | Iron |
| Nickel 200 | 99.0 min | 0.15 max | 0.35 max | 0.35 max | 0.01 max | 0.25 max | 0.40 max |
| Nickel 201 | 99.0 min | 0.02 max | 0.35 max | 0.35 max | 0.01 max | 0.25 max | 0.40 max |
| Element | Melting Point | Density | Tensile Strength | Elongation | Yield Strength (0.2%Offset) |
| Nickel 200 / 201 | 1446 °C (2635 °F) | 8.9 g/cm3 | Psi – 67000 , MPa – 462 | 45 % | Psi – 21500 , MPa – 148 |
| STANDARD | WERKSTOFF NR. | UNS | JIS | BS | GOST | AFNOR | EN |
| Nickel 200 | 2.4066 | N02200 | NW 2200 | NA 11 | НП-2 | N-100M | Ni 99.2 |
| Nickel 201 | 2.4068 | N02201 | NW 2201 | NA 12 | НП-2 | - | LC-Ni 99 |
| Hs Code | 7507 | Nickel Pipes, Tubes And Pipe Fittings (for Example, Elbows, Couplings, Sleeves) |
Pure Nickel 200 Alloy 2.4060 Elbow
ASME B16.9 Nickel Elbow
3 inch Nickel 200 Uns N02200 90 Degree Elbow
1-1/4" X 1/2" ASME Sb366 Nickel 200 Concentric Reducer
1-1/2" X 3/4" Nb Sch20 UNS N02201 Concentric Reducer
2" X 1" Nb Sch80 Nickel Alloy 201 Eccentric Reducer
ASME SB 366 Nickel Alloy 200 Reducing Tee
Ni Alloy 200 Buttweld Tee
Nickel Alloy 2.4066 Equal Tee
| Properties | Metric | Imperial |
|---|---|---|
| Density | 8.89 g/cm3 | 0.321 lb/in3 |
| Melting point | 1435-1446°C | 2615-2635°F |
| Properties | Metric | Imperial |
|---|---|---|
| Thermal expansion co-efficient (@20-100°C/68-212°F) | 13.3 µm/m°C | 7.39 µin/in°F |
| Thermal conductivity | 70.2 W/mK | 487 BTU.in/hrft².°F |
Pipe Fittings Material
Flanges Material
Other Products