What is Carbon Steel Stub End?
The Carbon Steel Stub End is used along with a backing flange. It is a short length of pipe that comes with one flared end and the other end is square cut, which is welded to the pipe for forming the connection. The Carbon Steel Stub End needs pipes of the same material grade and schedule, as they are welded to the pipe. The Carbon Steel Stub End comes at a very affordable cost, and are available in three different types:
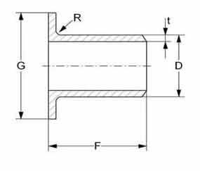
The dimensions of the Carbon Steel Stub End can be customized according to the specific requirements. They are durable, and need to be dimensionally accurate for giving optimal performances.
Carbon Steel Short Stub End Vs Carbon Steel Long Stub End
Carbon Steel Short Stub End is also known as MSS-A stub end which is an industry norm. They are used in conjunction with a flat face lap joint flange. The dimensions of the Carbon Steel Short Stub End must meet the dimensions of the pipe to which it will be welded and they must also have the same material grade and schedule.
The Carbon Steel Long Stub Ends are the ASA-A stub ends and they are longer in length. They are less popular compared to the MSS-A stubs ends. Apart from the length, there are no considerable differences between the two flanges.
What is Carbon Steel Lap Joint Stub End?
The Carbon Steel Lap Joint Stub End is used in conjunction with the lap joint flanges for replacing the welded flanges. They are most commonly used in pipelines that have medium temperature and pressure. They can resist corrosive mediums. The Carbon Steel Lap Joint Stub End is a buttweld fittings, and hence they come with enhanced strength and longevity.
What is the maximum length of High Carbon Steel Stubs End?
The maximum length of High Carbon Steel Stub End with NPS 24 is 692.2 mm.
Carbon Steel Stub End manufacturer in India
Table of Content
| Dimensions | ASME B16.9, MSS-SP-43 |
| Sizes | 1/2″NB TO 36 “NB IN |
| Types Provided By Manufacturer | End Pipe, Pipe Cap, Dish Cap, Lateral Cap |
| Wall Thickness | Schedule S30, 10S, 5S, S10, S20, STD, 20S, S60, 40S, S40, XS, 80S, S80, S100, S120, S160, S140, XXS and etc. |
| Pressure | SCH5 to SCH160v |
| Value Added Services Provided By Manufacturer | Epoxy & FBE Coating, Hot Dipped Galvanizing, Electro Polish, Threading, Sand Blasting, Soldering |
| Types | ERW / Welded / Seamless / Fabricated |
|---|
| Normal Pipe Size In inch |
ASME B16.9 | |||
| Schedule 5S |
Schedule 10S |
Schedule 40S |
Schedule 80S |
|
| 1/2 | 0.06 | 0.08 | 0.12 | 0.13 |
| 3/4 | 0.07 | 0.09 | 0.15 | 0.17 |
| 1 | 0.09 | 0.15 | 0.20 | 0.25 |
| 1 1/4 | 0.13 | 0.20 | 0.30 | 0.35 |
| 1 1/2 | 0.16 | 0.25 | 0.38 | 0.46 |
| 2 | 0.25 | 0.40 | 0.55 | 0.75 |
| 2 1/2 | 0.35 | 0.50 | 0.80 | 1.00 |
| 3 | 0.50 | 0.60 | 1.10 | 1.50 |
| 4 | 0.70 | 1.00 | 1.80 | 2.50 |
| 5 | 1.00 | 1.25 | 2.50 | 3.50 |
| 6 | 1.60 | 1.95 | 3.70 | 5.50 |
| 8 | 2.50 | 3.10 | 5.90 | 10.0 |
| 10 | 4.00 | 4.90 | 10.5 | 14.0 |
| 12 | 6.60 | 7.10 | 15.0 | 20.0 |
| 14 | 6.40 | 7.80 | 15.5 | 20.5 |
| 16 | 7.90 | 9.00 | 18.0 | 24.0 |
| 18 | 9.30 | 10.5 | 21.0 | 28.0 |
| 20 | 12.0 | 13.5 | 23.5 | 31.0 |
| 24 | 16.5 | 19.0 | 28.5 | 38.0 |
| Nominal Pipe Size |
Outside Diameter at Bevel |
Length | Radius of Fillet | Diameter of Lap | |
|---|---|---|---|---|---|
| A | B | ||||
| NPS | D | L | R | G | |
| 1/2 3/4 1 |
21.3 26.7 33.4 |
51 51 51 |
3.0 3.0 3.0 |
0.8 0.8 0.8 |
35 43 51 |
| 11/4 11/2 2 |
42.2 48.3 60.3 |
51 51 64 |
5.0 6.0 8.0 |
0.8 0.8 0.8 |
64 73 92 |
| 21/2 3 31/2 |
73.0 88.9 101.6 |
64 64 76 |
8.0 10.0 10.0 |
0.8 0.8 0.8 |
106 127 140 |
| 4 5 6 |
114.3 141.3 168.3 |
76 76 89 |
11.0 11.0 13.0 |
0.8 1.6 1.6 |
157 185 218 |
8 |
219.1 273.0 323.8 |
102 127 152 |
13.0 13.0 13.0 |
1.6 1.6 1.6 |
270 324 381 |
| 14 16 18 |
355.6 406.4 457.0 |
152 152 152 |
13.0 13.0 13.0 |
1.6 1.6 1.6 |
413 470 533 |
| 20 22 24 |
508.0 559.0 610.0 |
152 152 152 |
13.0 13.0 13.0 |
1.6 -- 1.6 |
584 641 692 |
| Carbon Steel Stub End Price Per Piece in India | MSS Type B Stub End Price in INR | Long Collar Stub End Price in UAE Dirham | Pipe Stub End Price in USD |
| CARBON STEEL GR A234 WPB STUB END STD WT Per Kg | 3,389 | UAE Dirham 167.34 | $45.56 |
| CARBON STEEL GR A234 WPB LAP JOINT STUB END Per Kg | 994 | UAE Dirham 49.08 | $13.36 |
| STUB END SHORT 63MM BW PN 10 Per Kg | 131 | UAE Dirham 6.47 | $1.76 |

| OD | NPS | R Type A |
G | F | T | R Type B |
| 26.7 | 3/4 | 3.05 | 42.9 | 50.8 | 2.11 | 0.76 |
| 33.4 | 1 | 3.05 | 50.8 | 50.8 | 2.77 | 0.76 |
| 168.3 | 6 | 12.7 | 215.9 | 88.9 | 3.40 | 1.52 |
| 21.3 | 1/2 | 3.05 | 34.9 | 50.8 | 2.11 | 0.76 |
| 101.6 | 3.1/2 | 9.65 | 139.7 | 76.2 | 3.05 | 0.76 |
| 48.3 | 1.1/2 | 6.35 | 73 | 50.8 | 2.77 | 0.76 |
| 60.3 | 2 | 7.87 | 92.1 | 63.5 | 2.77 | 0.76 |
| 88.9 | 3 | 9.65 | 127 | 63.5 | 3.05 | 0.76 |
| 114.3 | 4 | 11.18 | 157.2 | 76.2 | 3.05 | 0.76 |
| 457.2 | 18 | 12.70 | 533.4 | 152.4 | 4.78 | 1.52 |
| 73 | 2.1/2 | 7.87 | 104.8 | 63.5 | 3.05 | 0.76 |
| 42.2 | 1.1/4 | 4.83 | 63.5 | 50.8 | 2.77 | 0.76 |
| 141.3 | 5 | 11.18 | 185.7 | 76.2 | 3.40 | 1.52 |
| 219.1 | 8 | 12.7 | 269.9 | 101.6 | 3.76 | 1.52 |
| 273.1 | 10 | 12.7 | 323.9 | 127 | 4.19 | 1.52 |
| 355.6 | 14 | 12.70 | 412.8 | 152.4 | 4.78 | 1.52 |
| 406.4 | 16 | 12.7 | 469.9 | 152.4 | 4.78 | 1.52 |
| 508 | 20 | 12.70 | 584.2 | 152.4 | 5.54 | 1.52 |
| 323.9 | 12 | 12.7 | 381 | 152.4 | 4.57 | 1.52 |
| 609.6 | 24 | 12.7 | 692.2 | 152.4 | 6.35 | 1.52 |
| Product | Nom. Pipe Size | Outside Dia (O.D.) | Dia (G) | XX Strong Wall, Inside Dia (I.D.) | Schedule 160, Inside Dia (I.D.) | Sch 160, Lap Thickness (t) | Wall Thickness (T), Schedule 160 | Length (F), Short | XX Strong Wall Approx. Weight |
|---|---|---|---|---|---|---|---|---|---|
| 1 1/2" | 1.5 | 1.9 | 2.875 | 1.1 | 1.338 | 0.281 | 0.281 | 2 | 2.98 |
| 1 1/4" | 1.25 | 1.66 | 2.5 | 0.191 | 0.14 | 0.14 | 1.26 | 4 | 1.278 |
| 1" | 1 | 1.315 | 2 | 0.179 | 0.133 | 0.133 | 0.88 | 4 | 0.957 |
| 1 1/2" | 1.5 | 1.9 | 2.875 | 0.2 | 0.15 | 0.15 | 1.49 | 4 | 1.5 |
| 1/2" | 0.5 | 0.84 | 1.375 | 0.252 | 0.464 | 0.187 | 0.188 | 2 | 0.68 |
| 1" | 1 | 1.315 | 2 | 0.599 | 0.815 | 0.25 | 0.25 | 2 | 1.76 |
| 10" | 10 | 10.75 | 12.75 | – | 8.5 | 1.125 | 1.125 | 5 | – |
| 1 1/4" | 1.25 | 1.66 | 2.5 | 0.896 | 1.16 | 0.25 | 0.25 | 2 | 2.52 |
| 10" | 10 | 10.75 | 12.75 | 0.5 | 0.365 | 0.365 | 54 | 10 | 9.75 |
| 12" | 12 | 12.75 | 15 | – | 10.126 | 1.312 | 1.312 | 6 | – |
| 1/2" | 0.5 | 0.84 | 1.375 | 0.147 | 0.109 | 0.109 | 0.34 | 3 | 0.546 |
| 14" | 14 | 14 | 16.25 | 0.5 | 0.375 | 0.375 | 84 | 12 | 13 |
| 16" | 16 | 16 | 18.5 | 0.5 | 0.375 | 0.375 | 98 | 12 | 15 |
| 20" | 20 | 20 | 23 | 0.5 | 0.375 | 0.375 | 157 | 12 | 19 |
| 18" | 18 | 18 | 21 | 0.5 | 0.375 | 0.375 | 136 | 12 | 17 |
| 2 1/2" | 2.5 | 2.875 | 4.125 | 1.771 | 2.125 | 0.375 | 0.375 | 2.5 | 8.8 |
| 2" | 2 | 2.375 | 3.625 | 1.503 | 1.689 | 0.343 | 0.343 | 2.5 | 6.1 |
| 2" | 2 | 2.375 | 3.625 | 0.218 | 0.154 | 0.154 | 3.05 | 6 | 1.939 |
| 2 1/2" | 2.5 | 2.875 | 4.125 | 0.276 | 0.203 | 0.203 | 4.4 | 6 | 2.323 |
| 3 1/2" | 3.5 | 4 | 5.5 | 2.728 | – | – | – | 3 | 15.5 |
| 12" | 12 | 12.75 | 15 | 0.5 | 0.375 | 0.375 | 64.5 | 10 | 11.75 |
| 3 1/2" | 3.5 | 4 | 5.5 | 0.318 | 0.226 | 0.226 | 7.75 | 6 | 3.364 |
| 6" | 6 | 6.625 | 8.5 | 4.897 | 5.187 | 0.718 | 0.719 | 3.5 | 45.26 |
| 3" | 3 | 3.5 | 5 | 2.3 | 2.624 | 0.438 | 0.438 | 2.5 | 9.8 |
| 6" | 6 | 6.625 | 8.5 | 0.432 | 0.28 | 0.28 | 22.63 | 8 | 5.761 |
| 3" | 3 | 3.5 | 5 | 0.3 | 0.216 | 0.216 | 6.5 | 6 | 2.9 |
| 3/4" | 0.75 | 1.05 | 1.688 | 0.434 | 0.612 | 0.218 | 0.219 | 2 | 0.94 |
| 4" | 4 | 4.5 | 6.188 | 0.337 | 0.237 | 0.237 | 9.65 | 6 | 3.826 |
| 5" | 5 | 5.563 | 7.313 | 4.063 | 4.313 | 0.625 | 0.625 | 3 | 32.66 |
| 8" | 8 | 8.625 | 10.625 | 0.5 | 0.322 | 0.322 | 34.12 | 8 | 7.625 |
| 3/4" | 0.75 | 1.05 | 1.688 | 0.154 | 0.113 | 0.113 | 0.47 | 3 | 0.742 |
| 4" | 4 | 4.5 | 6.188 | 3.152 | 3.438 | 0.531 | 0.531 | 3 | 19.3 |
| 5" | 5 | 5.563 | 7.313 | 0.375 | 0.258 | 0.258 | 16.33 | 8 | 4.813 |
| 8" | 8 | 8.625 | 10.625 | 6.875 | 6.813 | 0.906 | 0.906 | 4 | 59.71 |

| Name Of Product | Normal Size Of Steel Pipe | Dia. Of (G) | Length Of (J) | (Outer Diameter) | Schedule 5S Approx. Weight | Schedule 5S, (Inner Diameter) | Schedule 5S, Thickness (T) |
|---|---|---|---|---|---|---|---|
| 1 1/2" | 1.5 | 2.875 | 2 | 1.9 | 0.29 | 1.77 | 0.065 |
| 1 1/4" | 1.25 | 2.5 | 2 | 1.66 | 0.21 | 1.53 | 0.065 |
| 1" | 1 | 2 | 2 | 1.315 | 0.19 | 1.185 | 0.065 |
| 1/2" | 0.5 | 1.375 | 2 | 0.84 | 0.13 | 0.71 | 0.065 |
| 10" | 10 | 12.75 | 5 | 10.75 | 7.48 | 10.482 | 0.134 |
| 12" | 12 | 15 | 6 | 12.75 | 15 | 12.438 | 0.156 |
| 14" | 14 | 16.25 | 6 | 14 | 19.2 | 13.688 | 0.156 |
| 16" | 16 | 18.5 | 6 | 16 | 23.9 | 15.67 | 0.165 |
| 18" | 18 | 21 | 6 | 18 | 28.5 | 17.67 | 0.165 |
| 2 1/2" | 2.5 | 4.125 | 2.5 | 2.875 | 0.75 | 2.709 | 0.083 |
| 2" | 2 | 3.625 | 2.5 | 2.375 | 0.44 | 2.245 | 0.065 |
| 20" | 20 | 23 | 6 | 20 | 36.3 | 19.624 | 0.188 |
| 24" | 24 | 27.25 | 6 | 24 | 56 | 23.564 | 0.218 |
| 3" | 3 | 5 | 2.5 | 3.5 | 0.94 | 3.334 | 0.083 |
| 3/4" | 0.75 | 1.688 | 2 | 1.05 | 0.14 | 0.92 | 0.065 |
| 4" | 4 | 6.188 | 3 | 4.5 | 1.38 | 4.334 | 0.083 |
| 5" | 5 | 7.313 | 3 | 5.563 | 2.06 | 5.345 | 0.109 |
| 6" | 6 | 8.5 | 3.5 | 6.625 | 2.75 | 6.407 | 0.109 |
| 8" | 8 | 10.625 | 4 | 8.625 | 3.88 | 8.407 | 0.109 |

| NPS | OD | T | G | F | R | kg |
| 1/2 | 21.3 | 2.77 | 34.9 | 76.2 | 3.18 | 0.16 |
| 3/4 | 26.7 | 2.87 | 42.9 | 76.2 | 3.18 | 0.23 |
| 1 | 33.4 | 3.38 | 50.8 | 101.6 | 3.18 | 0.29 |
| 1.1/4 | 42.2 | 3.56 | 63.5 | 101.6 | 4.76 | 0.45 |
| 1.1/2 | 48.3 | 3.68 | 73 | 101.6 | 6.35 | 0.54 |
| 2 | 60.3 | 3.91 | 92.1 | 152.4 | 7.94 | 1 |
| 2.1/2 | 73 | 5.16 | 104.8 | 152.4 | 7.94 | 1.5 |
| 3 | 88.9 | 5.49 | 127 | 152.4 | 9.53 | 2.1 |
| 3.1/2 | 101.6 | 5.74 | 139.7 | 152.4 | 9.53 | 2.5 |
| 4 | 114.3 | 6.02 | 157.2 | 152.4 | 11.11 | 3 |
| 5 | 141.3 | 6.55 | 185.7 | 203.2 | 11.11 | 5.4 |
| 6 | 168.3 | 7.11 | 215.9 | 203.2 | 12.70 | 7.3 |
| 8 | 219.1 | 8.18 | 269.9 | 203.2 | 12.70 | 11.6 |
| 10 | 273.1 | 9.27 | 323.9 | 254 | 12.70 | 18 |
| 12 | 323.9 | 9.53 | 381 | 254 | 12.70 | 21 |
| 14 | 355.6 | 9.53 | 412.8 | 304.8 | 12.70 | 28 |
| 16 | 406.4 | 9.53 | 469.9 | 304.8 | 12.70 | 34 |
| 18 | 457.2 | 9.53 | 533.4 | 304.8 | 12.70 | 39 |
| 20 | 508 | 9.53 | 584.2 | 304.8 | 12.70 | 44 |
| 24 | 609.6 | 9.53 | 692.2 | 304.8 | 12.70 | 57 |
| Normal Pipe Size | Outer Daimeter | (T) | (G) | (F) | (R) Type A |
R Type B |
| 4 | 114.3 | 3.05 | 157.2 | 76.2 | 11.18 | 0.76 |
| 5 | 141.3 | 3.40 | 185.7 | 76.2 | 11.18 | 1.52 |
| 6 | 168.3 | 3.40 | 215.9 | 88.9 | 12.7 | 1.52 |
| 8 | 219.1 | 3.76 | 269.9 | 101.6 | 12.7 | 1.52 |
| 10 | 273.1 | 4.19 | 323.9 | 127 | 12.7 | 1.52 |
| 12 | 323.9 | 4.57 | 381 | 152.4 | 12.7 | 1.52 |
| 14 | 355.6 | 4.78 | 412.8 | 152.4 | 12.70 | 1.52 |
| 16 | 406.4 | 4.78 | 469.9 | 152.4 | 12.7 | 1.52 |
| 18 | 457.2 | 4.78 | 533.4 | 152.4 | 12.70 | 1.52 |
| 20 | 508 | 5.54 | 584.2 | 152.4 | 12.70 | 1.52 |
| 24 | 609.6 | 6.35 | 692.2 | 152.4 | 12.7 | 1.52 |

| Name Of Product | Normal Size Of Steel Pipe | Daimeter Of (G) | Short Length Of (F) | (Outer Daimeter) | Schedule 160, Inner Diameter (I.D.) | Schedule 160, Lap Thickness (WT) | Schedule 160, Wall Thickness (WT) | XX Strong Wall Approx. Weight | XX Strong Wall, Inner Daimeter (I.D.) |
|---|---|---|---|---|---|---|---|---|---|
| 1 1/2" Stubs Ends Long Type “A | 1.5 | 2.875 | 2 | 1.9 | 1.338 | 0.281 | 0.281 | 2.98 | 1.1 |
| 1 1/2" | 1.5 | 2.875 | 4 | 1.9 | 0.15 | 0.15 | 1.49 | 1.5 | 0.2 |
| 1 1/4" | 1.25 | 2.5 | 2 | 1.66 | 1.16 | 0.25 | 0.25 | 2.52 | 0.896 |
| 1 1/4" | 1.25 | 2.5 | 4 | 1.66 | 0.14 | 0.14 | 1.26 | 1.278 | 0.191 |
| 1" | 1 | 2 | 2 | 1.315 | 0.815 | 0.25 | 0.25 | 1.76 | 0.599 |
| 1" | 1 | 2 | 4 | 1.315 | 0.133 | 0.133 | 0.88 | 0.957 | 0.179 |
| 1/2" | 0.5 | 1.375 | 2 | 0.84 | 0.464 | 0.187 | 0.188 | 0.68 | 0.252 |
| 1/2" | 0.5 | 1.375 | 3 | 0.84 | 0.109 | 0.109 | 0.34 | 0.546 | 0.147 |
| 10" | 10 | 12.75 | 5 | 10.75 | 8.5 | 1.125 | 1.125 | – | – |
| 10" | 10 | 12.75 | 10 | 10.75 | 0.365 | 0.365 | 54 | 9.75 | 0.5 |
| 12" | 12 | 15 | 6 | 12.75 | 10.126 | 1.312 | 1.312 | – | – |
| 12" | 12 | 15 | 10 | 12.75 | 0.375 | 0.375 | 64.5 | 11.75 | 0.5 |
| 14" | 14 | 16.25 | 12 | 14 | 0.375 | 0.375 | 84 | 13 | 0.5 |
| 16" | 16 | 18.5 | 12 | 16 | 0.375 | 0.375 | 98 | 15 | 0.5 |
| 18" | 18 | 21 | 12 | 18 | 0.375 | 0.375 | 136 | 17 | 0.5 |
| 2 1/2" | 2.5 | 4.125 | 2.5 | 2.875 | 2.125 | 0.375 | 0.375 | 8.8 | 1.771 |
| 2 1/2" | 2.5 | 4.125 | 6 | 2.875 | 0.203 | 0.203 | 4.4 | 2.323 | 0.276 |
| 2" | 2 | 3.625 | 2.5 | 2.375 | 1.689 | 0.343 | 0.343 | 6.1 | 1.503 |
| 2" | 2 | 3.625 | 6 | 2.375 | 0.154 | 0.154 | 3.05 | 1.939 | 0.218 |
| 20" | 20 | 23 | 12 | 20 | 0.375 | 0.375 | 157 | 19 | 0.5 |
Carbon Steel Stub End
Carbon Steel Pipe Stub End
Carbon Steel Lap Joint Stub Ends
Stub End Carbon Steel
Carbon Steel Stub End Fittings
ASME B16.9 Stub End
WPHY 70 Stub End Type A
Stub End Mss Sp 43
WPHY 65 Long Stub End
ASTM A420 WPL6 Short Stub End
Short Pattern Stub End
ASTM A234 WP11 Seamless Lap Joint Stub End
Lap Joint Flange Stub End
Backing Flange and Stub End
ASTM A234 WPC Lap Joint Stub
ASTM A234 WPA Stub End Short
Long Collar Stub End
Mild Steel Type C Stub Ends
Lap Joint Stub End Type A
Mss Sp 43 Type A
ASTM A234 WPB Stub End Flanges
Stub End Flange
ASTM A860 High Yield Stub End Pipe Fittings
Stub End B16.9
WPHY 42 Stub End Buttweld Fittings
Mss Type B Stub End
ANSI B 16.9 Stub End
Stub End Din 2642
Stub End EN 1092-1 Type 35
Stub End EN 1092-1 Type 36
Stub End Jis 10k
Stub End Sch 10
EN 1092-1 Stub End
| Temperature Ratings | Types Of Pressure Ratings Class | ||||
|---|---|---|---|---|---|
| Class 150# | Class 300# | ||||
| 1/4 - 1 (Inch) | 1 1/4 - 2 (Inch) | 2 1/2 - 3 (Inch) | |||
| (oF) | (oC) | ||||
| -20 to 150 | -29 to 66 | 300 | 2000 | 1500 | 1000 |
| 200 | 93 | 265 | 1785 | 1350 | 910 |
| 250 | 121 | 225 | 1575 | 1200 | 825 |
| 300 | 149 | 185 | 1360 | 1050 | 735 |
| 350 | 177 | 150 | 1150 | 900 | 650 |
| 400 | 204 | - | 935 | 750 | 560 |
| 450 | 232 | - | 725 | 600 | 475 |
| 500 | 260 | - | 510 | 450 | 385 |
| 550 | 288 | - | 300 | 300 | 300 |
| Nominal Pipe Size | 1/2 to 2.1/2 | 3 to 3.1/2 | 4 | 5 to 8 | 10 to 18 | 20 to 24 |
| Outside Diameter at Welding End (OD) | 0.8 | 0.8 | 0.8 | + 1.6 - 0.8 |
+ 2.29 - 0.76 |
+ 3.05 - 0.76 |
| Overall Length (F) | 1.6 | 1.6 | 1.6 | 1.6 | 2 | 2 |
| Outside Diameter of Lap (G) | + 0 - 0.76 |
+ 0 - 0.76 |
+ 0 - 0.76 |
+ 0 - 0.76 |
+ 0 - 1.6 |
+ 0 - 1.6 |
| Thickness of Lap (T) | + 1.52 - 0 |
+ 1.52 - 0 |
+ 1.52 - 0 |
+ 1.52 - 0 |
+ 1.52 - 0 |
+ 1.52 - 0 |
| Fillet Radius of Lap (R) | + 0 - 0.76 |
+ 0 - 0.76 |
+ 0 - 1.6 |
+ 0 - 1.6 |
+ 0 - 1.6 |
+ 0 - 1.6 |
| Wall Thickness (t) | Not less than 87.5% of Nominal Wall Thickness | |||||

| Normal Pipe Size | Outer Daimeter | (T) | (G) | (F) | (R) | (Kilogram) |
| 1/2 | 21.3 | 2.77 | 34.9 | 76.2 | 3.18 | 0.16 |
| 3/4 | 26.7 | 2.87 | 42.9 | 76.2 | 3.18 | 0.23 |
| 1 | 33.4 | 3.38 | 50.8 | 101.6 | 3.18 | 0.29 |
| 1.1/4 | 42.2 | 3.56 | 63.5 | 101.6 | 4.76 | 0.45 |
| 1.1/2 | 48.3 | 3.68 | 73 | 101.6 | 6.35 | 0.54 |
| 2 | 60.3 | 3.91 | 92.1 | 152.4 | 7.94 | 1 |
| 2.1/2 | 73 | 5.16 | 104.8 | 152.4 | 7.94 | 1.5 |
| 3 | 88.9 | 5.49 | 127 | 152.4 | 9.53 | 2.1 |
| 3.1/2 | 101.6 | 5.74 | 139.7 | 152.4 | 9.53 | 2.5 |
| 4 | 114.3 | 6.02 | 157.2 | 152.4 | 11.11 | 3 |
| 5 | 141.3 | 6.55 | 185.7 | 203.2 | 11.11 | 5.4 |
| 6 | 168.3 | 7.11 | 215.9 | 203.2 | 12.70 | 7.3 |
| 8 | 219.1 | 8.18 | 269.9 | 203.2 | 12.70 | 11.6 |
| 10 | 273.1 | 9.27 | 323.9 | 254 | 12.70 | 18 |
| 12 | 323.9 | 9.53 | 381 | 254 | 12.70 | 21 |
| 14 | 355.6 | 9.53 | 412.8 | 304.8 | 12.70 | 28 |
| 16 | 406.4 | 9.53 | 469.9 | 304.8 | 12.70 | 34 |
| 18 | 457.2 | 9.53 | 533.4 | 304.8 | 12.70 | 39 |
| 20 | 508 | 9.53 | 584.2 | 304.8 | 12.70 | 44 |
| 24 | 609.6 | 9.53 | 692.2 | 304.8 | 12.70 | 57 |

| Normal Pipe Size | O.D. | (T) | (G) | (F) | (R) | (Kilogram) |
| 1/2 | 21.3 | 3.73 | 34.9 | 76.2 | 3.18 | 0.2 |
| 3/4 | 26.7 | 3.91 | 42.9 | 76.2 | 3.18 | 0.3 |
| 1 | 33.4 | 4.55 | 50.8 | 101.6 | 3.18 | 0.4 |
| 1.1/4 | 42.2 | 4.85 | 63.5 | 101.6 | 4.76 | 0.6 |
| 1.1/2 | 48.3 | 5.08 | 73 | 101.6 | 6.35 | 0.7 |
| 2 | 60.3 | 5.54 | 92.1 | 152.4 | 7.94 | 1.4 |
| 2.1/2 | 73 | 7.01 | 104.8 | 152.4 | 7.94 | 2 |
| 3 | 88.9 | 7.62 | 127 | 152.4 | 9.53 | 2.9 |
| 3.1/2 | 101.6 | 8.08 | 139.7 | 152.4 | 9.53 | 3.4 |
| 4 | 114.3 | 8.56 | 157.2 | 152.4 | 11.11 | 4.1 |
| 5 | 141.3 | 9.53 | 185.7 | 203.2 | 11.11 | 7.5 |
| 6 | 168.3 | 10.97 | 215.9 | 203.2 | 12.70 | 10 |
| 8 | 219.1 | 12.70 | 269.9 | 203.2 | 12.70 | 16 |
| 10 | 273.1 | 12.70 | 323.9 | 254 | 12.70 | 24 |
| 12 | 323.9 | 12.70 | 381 | 254 | 12.70 | 29 |
| 14 | 355.6 | 12.70 | 412.8 | 304.8 | 12.70 | 38 |
| 16 | 406.4 | 12.70 | 469.9 | 304.8 | 12.70 | 43 |
| 18 | 457.2 | 12.70 | 533.4 | 304.8 | 12.70 | 49 |
| 20 | 508 | 12.70 | 584.2 | 304.8 | 12.70 | 63 |
| 24 | 609.6 | 12.70 | 692.2 | 304.8 | 12.70 | 76 |
| Normal Size Of Pipe (DN) | Schedule Number | Outer Daimeter In inch millmeter | Wall Thickness inch millmeter | Mass lb/ft kg/m |
|---|---|---|---|---|
| 1/8 6 | 5S | 0.405 10.3 | ... | ... |
| 1/8 6 | 10S | 0.405 10.3 | 0.049 1.24 | 0.19 0.28 |
| 1/8 6 | 40S | 0.405 10.3 | 0.068 1.73 | 0.24 0.37 |
| 1/8 6 | 80S | 0.405 10.3 | 0.095 2.41 | 0.31 0.47 |
| 1/4 8 | 5S | 0.540 13.7 | ... | ... |
| 1/4 8 | 10S | 0.540 13.7 | 0.065 1.65 | 0.33 0.49 |
| 1/4 8 | 40S | 0.540 13.7 | 0.088 2.24 | 0.43 0.63 |
| 1/4 8 | 80S | 0.540 13.7 | 0.119 3.02 | 0.54 0.80 |
| 3/8 10 | 5S | 0.675 17.1 | ... | ... |
| 3/8 10 | 10S | 0.675 17.1 | 0.065 1.65 | 0.42 0.63 |
| 3/8 10 | 40S | 0.675 17.1 | 0.091 2.31 | 0.57 0.84 |
| 3/8 10 | 80S | 0.675 17.1 | 0.126 3.20 | 0.74 1.10 |
| 1/2 15 | 5S | 0.840 21.3 | 0.065 1.65 | 0.54 0.80 |
| 1/2 15 | 10S | 0.840 21.3 | 0.083 2.11 | 0.67 1.00 |
| 1/2 15 | 40S | 0.840 21.3 | 0.109 2.77 | 0.85 1.27 |
| 1/2 15 | 80S | 0.840 21.3 | 0.147 3.73 | 1.09 1.62 |
| 3/4 20 | 5S | 1.050 26.7 | 0.065 1.65 | 0.68 1.02 |
| 3/4 20 | 10S | 1.050 26.7 | 0.083 2.11 | 0.86 1.28 |
| 3/4 20 | 40S | 1.050 26.7 | 0.113 2.87 | 1.13 1.69 |
| 3/4 20 | 80S | 1.050 26.7 | 0.154 3.91 | 1.48 2.20 |
| 1 25 | 5S | 1.315 33.4 | 0.065 1.65 | 0.68 1.02 |
| 1 25 | 10S | 1.315 33.4 | 0.083 2.11 | 0.86 1.28 |
| 1 25 | 40S | 1.315 33.4 | 0.133 3.38 | 1.68 2.50 |
| 1 25 | 80S | 1.315 33.4 | 0.179 4.55 | 2.17 3.24 |
| 1-1/4 32 | 5S | 1.660 42.2 | 0.065 1.65 | 1.11 1.65 |
| 1-1/4 32 | 10S | 1.660 42.2 | 0.109 2.77 | 1.81 2.69 |
| 1-1/4 32 | 40S | 1.660 42.2 | 0.140 3.56 | 2.27 3.39 |
| 1-1/4 32 | 80S | 1.660 42.2 | 0.191 4.85 | 3.00 4.47 |
| 1-1/2 40 | 5S | 1.900 48.3 | 0.065 1.65 | 1.28 1.90 |
| 1-1/2 40 | 10S | 1.900 48.3 | 0.109 2.77 | 2.09 3.11 |
| 1-1/2 40 | 40S | 1.900 48.3 | 0.145 3.68 | 2.72 4.05 |
| 1-1/2 40 | 80S | 1.900 48.3 | 0.200 5.08 | 3.63 5.41 |
| 2 50 | 5S | 2.375 60.3 | 0.065 1.65 | 1.61 2.39 |
| 2 50 | 10S | 2.375 60.3 | 0.109 2.77 | 2.64 3.93 |
| 2 50 | 40S | 2.375 60.3 | 0.154 3.91 | 3.66 5.44 |
| 2 50 | 80S | 2.375 60.3 | 0.218 5.54 | 5.03 7.48 |
| 2-1/2 65 | 5S | 2.875 73 | 0.083 2.11 | 2.48 3.69 |
| 2-1/2 65 | 10S | 2.875 73 | 0.120 3.05 | 3.53 5.26 |
| 2-1/2 65 | 40S | 2.875 73 | 0.203 5.16 | 5.80 8.63 |
| 2-1/2 65 | 80S | 2.875 73 | 0.276 7.01 | 7.67 11.41 |
| 3 80 | 5S | 3.500 88.9 | 0.083 2.11 | 3.03 4.52 |
| 3 80 | 10S | 3.500 88.9 | 0.120 3.05 | 4.34 6.46 |
| 3 80 | 40S | 3.500 88.9 | 0.216 5.49 | 7.58 11.29 |
| 3 80 | 80S | 3.500 88.9 | 0.300 7.62 | 10.26 15.27 |
| 3-1/2 90 | 5S | 4.000 101.6 | 0.083 2.11 | 3.48 5.18 |
| 3-1/2 90 | 10S | 4.000 101.6 | 0.120 3.05 | 4.98 7.41 |
| 3-1/2 90 | 40S | 4.000 101.6 | 0.226 5.74 | 9.12 13.57 |
| 3-1/2 90 | 80S | 4.000 101.6 | 0.318 8.08 | 12.52 18.64 |
| 4 100 | 5S | 4.500 114.3 | 0.083 2.11 | 3.92 5.84 |
| 4 100 | 10S | 4.500 114.3 | 0.120 3.05 | 5.62 8.37 |
| 4 100 | 40S | 4.500 114.3 | 0.237 6.02 | 10.80 16.08 |
| 4 100 | 80S | 4.500 114.3 | 0.337 8.56 | 15.00 22.32 |
| 5 125 | 5S | 5.563 141.3 | 0.109 2.77 | 6.36 9.46 |
| 5 125 | 10S | 5.563 141.3 | 0.134 3.40 | 7.78 11.56 |
| 5 125 | 40S | 5.563 141.3 | 0.258 6.55 | 14.63 21.77 |
| 5 125 | 80S | 5.563 141.3 | 0.375 9.53 | 20.80 30.97 |
| 6 150 | 5S | 6.625 168.3 | 0.109 2.77 | 7.59 11.31 |
| 6 150 | 10S | 6.625 168.3 | 0.134 3.40 | 9.30 13.83 |
| 6 150 | 40S | 6.625 168.3 | 0.280 7.11 | 18.99 28.26 |
| 6 150 | 80S | 6.625 168.3 | 0.432 10.97 | 28.60 42.56 |
| ND | Max off angle | Max off plane |
|---|---|---|
| Q | P | |
| 1/2 a 4 | 1 | 2 |
| 5 a 8 | 2 | 4 |
| 10 a 12 | 3 | 5 |
| 14 a 16 | 3 | 7 |
| 18 a 24 | 4 | 10 |
| 26 a 30 | 5 | 10 |
| 32 a 42 | 5 | 13 |
| 44 a 48 | 5 | 20 |
| NOMINAL PIPE SIZE (Inches) | NB | OD | THICKNESS | SCH 10 | SCH 20 | SCH 30 | SCH 40 | SCH 80 |
|---|---|---|---|---|---|---|---|---|
| 1/2 | 15NB | 21.30 | 1.65 | 2.11 | - | 2.41 | 2.77 | 3.73 |
| 3/4 | 20NB | 26.70 | 1.65 | 2.11 | - | 2.41 | 2.87 | 3.91 |
| 1 | 25NB | 33.40 | 1.65 | 2.77 | - | 2.90 | 3.38 | 4.55 |
| 1 1/4 | 32NB | 42.20 | 1.65 | 2.77 | - | 2.97 | 3.56 | 4.85 |
| 1 1/2 | 40NB | 48.30 | 1.65 | 2.77 | - | 3.18 | 3.68 | 5.08 |
| 2 | 50NB | 60.30 | 1.65 | 2.77 | - | 3.18 | 3.91 | 5.54 |
| 2 1/2 | 65NB | 73.00 | 2.11 | 3.05 | - | 4.78 | 5.16 | 7.01 |
| 3 | 80NB | 88.90 | 2.11 | 3.05 | - | 4.78 | 5.49 | 7.62 |
| 3 1/2 | 90NB | 101.60 | 2.11 | 3.05 | - | 4.78 | 5.74 | 8.08 |
| 4 | 100NB | 114.30 | 2.11 | 3.05 | - | 4.78 | 6.02 | 8.56 |
| 5 | 125NB | 141.30 | 2.77 | 3.40 | - | - | 6.55 | 9.53 |
| 6 | 150NB | 168.30 | 2.77 | 3.40 | - | - | 7.11 | 10.97 |
| 8 | 200NB | 219.10 | 2.77 | 3.76 | 6.35 | 7.04 | 8.18 | 12.70 |
| 10 | 250NB | 273.00 | 3.40 | 4.19 | 6.35 | 7.80 | 9.27 | 15.09 |
| 12 | 300NB | 323.80 | 3.96 | 4.57 | 6.35 | 8.38 | 10.31 | 17.48 |
| 14 | 350NB | 355.60 | 3.96 | 6.35 | 7.92 | 9.53 | 11.13 | 19.05 |
| 16 | 400NB | 406.40 | 4.19 | 6.35 | 7.92 | 9.53 | 12.7 | 21.44 |
| 18 | 450NB | 457.00 | 4.19 | 6.35 | 7.92 | 11.13 | 14.27 | 23.83 |
| 20 | 500NB | 508.00 | 4.78 | 6.35 | 9.53 | 12.70 | 15.09 | 26.19 |
| 22 | 550NB | 559.00 | 4.78 | 6.35 | 9.53 | 12.70 | - | 28.58 |
| 24 | 600NB | 610.00 | 5.54 | 6.35 | 9.53 | 14.27 | 17.48 | 30.96 |
Stub end are offered in three different ways, type A, B and C.
Type A
For standard joint flanges, the Type A Stubs End is used. The Stubs end lap thickness is greater than or equal to the nominal thickness of the pipe wall. The lap joint flange will also be applied to the sort A's outer corner radius.
Type B
The Type B Stubs End is used as a lap flange for standard slip on flanges. The lap thickness on these short ends is greater than or equal to the pipe wall's nominal thickness. Furthermore, the outer corner radius of type B is small enough to accept the slip o flange that will be used as a backup flange.
Type C
The Type C Stubs End will be used for standard lap joint flanges and will be installed on the flange. It's flaring with a rounded edge at the lap's inner diameter. If necessary, the radius will be created as close to a square as possible. The lap thickness is one-seventh of the pipe wall thickness. The sort C is sufficiently short to accommodate any backup flange.
The "loose" Flange concept of a Lap Joint is extremely useful during piping system field installation. If two spools are to be mated in the field, having one Flange that can be rotated is very useful for aligning the bolt holes prior to the introduction of the Stub bolt and the associated nuts. If positive isolation is a process requirement, the facility of easier orientation and alignment of bolt holes is especially useful if there is a spool that must be removed frequently.
The following information shall be provided to order a stub end:
| N.D. | Out diamater | Hight(F) | G | R | ||||
|---|---|---|---|---|---|---|---|---|
| NPS | DN | OD | Mss | ANSI | Nominal&max | Nominal&min | A Max | B Max |
| 1/2 | 15 | 21.3 | 50.8 | 76.2 | 35 | 34 | 3 | 0.8 |
| 3/4 | 20 | 26.7 | 50.8 | 76.2 | 43 | 42 | 3 | 0.8 |
| 1 | 25 | 33.4 | 50.8 | 101.6 | 51 | 50 | 3 | 0.8 |
| 11/4 | 32 | 42.4 | 50.8 | 101.6 | 64 | 63 | 4.8 | 0.8 |
| 11/2 | 40 | 48.3 | 50.8 | 101.6 | 73 | 72 | 6.4 | 0.8 |
| 2 | 50 | 60.3 | 63.5 | 152.4 | 92 | 91 | 7.9 | 0.8 |
| 21/2 | 65 | 73 | 63.5 | 152.4 | 105 | 104 | 7.9 | 0.8 |
| 3 | 80 | 88.9 | 63.5 | 152.4 | 127 | 126 | 9.6 | 0.8 |
| 31/2 | 90 | 101.6 | 76.2 | 152.4 | 140 | 139 | 9.6 | 0.8 |
| 4 | 100 | 114.3 | 76.2 | 152.4 | 157 | 156 | 11.2 | 0.8 |
| 5 | 125 | 141.3 | 76.2 | 203.2 | 186 | 185 | 11.2 | 1.6 |
| 6 | 150 | 168.3 | 88.9 | 203.2 | 216 | 215 | 12.7 | 1.6 |
| 8 | 200 | 219.1 | 101.6 | 203.2 | 270 | 269 | 12.7 | 1.6 |
| 10 | 250 | 273.1 | 127 | 254 | 324 | 322 | 12.7 | 1.6 |
| 12 | 300 | 323.9 | 152.4 | 254 | 381 | 379 | 12.7 | 1.6 |
| 14 | 350 | 355.6 | 152.4 | 304.8 | 413 | 411 | 12.7 | 1.6 |
| 16 | 400 | 406.4 | 152.4 | 304.8 | 470 | 468 | 12.7 | 1.6 |
| 18 | 450 | 457.2 | 152.4 | 304.8 | 533 | 531 | 12.7 | 1.6 |
| 20 | 500 | 508 | 152.4 | 304.8 | 584 | 582 | 12.7 | 1.6 |
| 22 | 550 | 559 | 152.4 | 304.8 | 641 | 639 | 12.7 | 1.6 |
| 24 | 600 | 610 | 152.4 | 304.8 | 692 | 690 | 12.7 | 1.6 |
Pipe Fittings Types
Pipe Fittings Material
Flanges Material
Other Products